Высокотемпературный подшипниковый узел UCFL208 BHTS ZZ 280° BECO (UCFL208BHTSZZ280BECO) купить онлайн за | Техноберинг
Вход / Регистрация
Не определено /
Пн-Пт. с 8:00 до 17:30
8 (800) 700-72-07

В Вашем городе отсутствует филиал Technobearing.
Выберите почтовую доставку?

Нет. Выбрать другой город
Каталог товаров
Каталог товаров

Высокотемпературный подшипниковый узел UCFL208 BHTS ZZ 280° BECO

Артикул: UCFL208BHTSZZ280BECO

Производитель: BECO

Страна бренда: Италия Италия

по запросу
с НДС
  • В наличии: Под заказ
Пришлите заявку
Бесплатная доставка
от 50000 рублей
Гарантия
12 месяцев
Предложим цену лучше!
Пришлите конкурентный счет
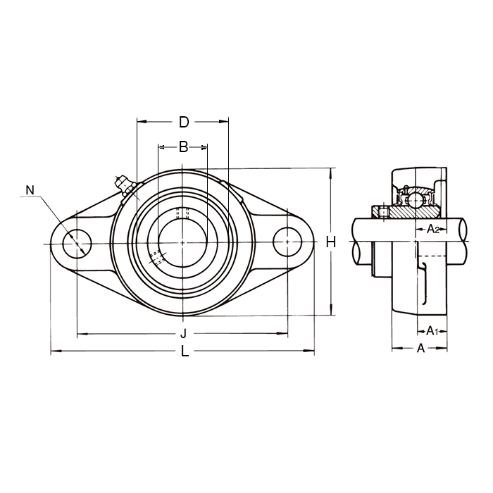
  • Статическая нагрузка при предельной температуре, кН
    13
  • Ширина A1, мм
    17
  • Ширина A2, мм
    24
  • Высота N, мм
    14 ± 1
  • Расстояние J, мм
    144
  • Статическая нагрузка при температуре +20°С, кН
    18,2
  • Уплотнение
    ZZ
  • Размер
    40x80x43
  • Ширина H, мм
    105
  • Внутренний диаметр B, мм
    40
  • Скорость, об/мин
    544
  • Длина L, мм
    172
  • Диаметр D, мм
    80
  • Материал
    хромированная сталь AISI 52100
  • Ширина A, мм
    43
  • Вес, кг
    1,46
  • Зазор
    4xC5

Оставьте отзыв

Высокотемпературный подшипниковый узел UCFL208 BHTS ZZ 280° BECO состоит из корпусного подшипника UC208 BHTS ZZ 280° BECO и нержавеющего корпуса FL 208 SS BECO фланцевого типа.

Корпусной подшипник UC208 BHTS ZZ 280° BECO предназначен для работы при экстремальных температурах от -40°С до +280°С. Изготовлен из хромированной стали и имеет защиту из металлических шайб с обеих сторон.

Корпус FL 208 SS BECO изготовлен из нержавеющей стали AISI 304. Создан в соответствии с международными стандартами и используется со специальными подшипниками в условиях высоких температур.

Подшипниковый узел UCFL208 BHTS ZZ 280° BECO имеет большой спектр областей применения: печи для покраски, сталелитейная промышленность, печи для керамической промышленности, тележки для обжиговых печей и т. д.

С этим товаром покупают