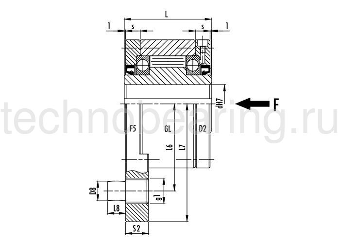
Обгонная муфта GL90F5D2 (GFR90F2F3) CTS
Аналоги
-
АртикулЦена
-
Альтернативная маркировка RingspannFGR90 RA2A3по запросу
-
Альтернативная маркировка TsubakiMZEU90K E2E3по запросу
-
Альтернативная маркировка StieberGFR90 F2F3по запросу
-
Альтернативная маркировка GMNVGL90 F5D2по запросу
С этим товаром покупают
-
-
Наличие
Много Много
-
Цена
627 руб./шт
-
Бренд
TITAN LOCK
-
Наличие
Италия




