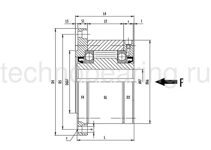
Обгонная муфта GL45F4D2 (GFR45F2F7) CTS
Аналоги
-
АртикулЦена
-
Альтернативная маркировка RingspannFGR45A2A7по запросу
-
Альтернативная маркировка TsubakiMZEU45KE2E7по запросу
-
Альтернативная маркировка StieberGFR45F2F7по запросу
-
Альтернативная маркировка GMNVGL45F4D4по запросу
С этим товаром покупают
-
-
Наличие
Много Много
-
Цена
627 руб./шт
-
Бренд
TITAN LOCK
-
Наличие
Италия


.jpg)

