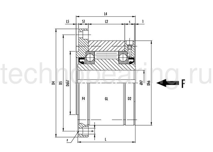
Обгонная муфта GL50F4D2 (GFR50F2F7) CTS
Аналоги
-
АртикулЦена
-
Альтернативная маркировка RingspannFGR50A2A7по запросу
-
Альтернативная маркировка TsubakiMZEU50KE2E7по запросу
-
Альтернативная маркировка StieberGFR50F2F7по запросу
-
Альтернативная маркировка GMNVGL50F4D4по запросу
Италия

.jpg)


