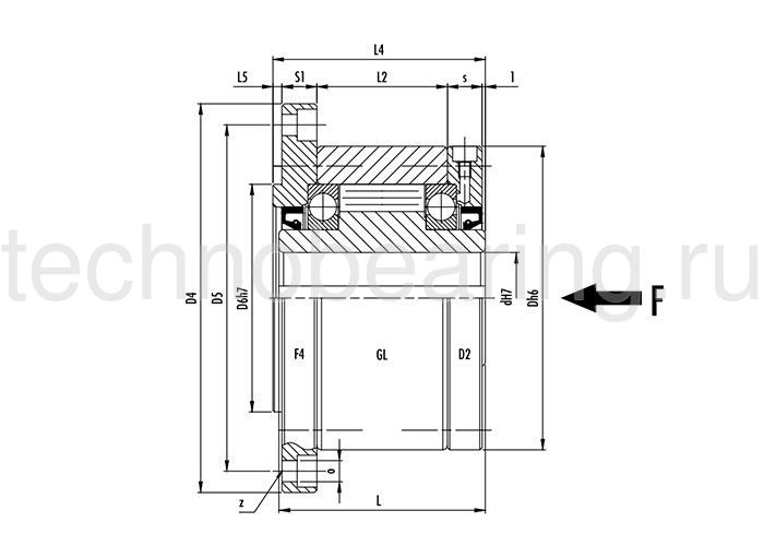
Обгонная муфта GL12F4D2 (GFR12F2F7) CTS
Аналоги
-
АртикулЦена
-
Альтернативная маркировка RingspannFGR12A2A7по запросу
-
Альтернативная маркировка TsubakiMZEU12KE2E7по запросу
-
Альтернативная маркировка StieberGFR12F2F7по запросу
-
Альтернативная маркировка GMNVGL12F4D4по запросу
С этим товаром покупают
-
-
Наличие
Много Много
-
Цена
627 руб./шт
-
Бренд
TITAN LOCK
-
Наличие
Италия



.jpg)

