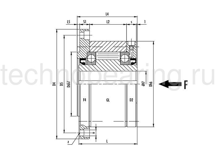
Обгонная муфта GL40F4D2 (GFR40F2F7) CTS
Аналоги
-
АртикулЦена
-
Альтернативная маркировка RingspannFGR40A2A7по запросу
-
Альтернативная маркировка TsubakiMZEU40KE2E7по запросу
-
Альтернативная маркировка StieberGFR40F2F7по запросу
-
Альтернативная маркировка GMNVGL40F4D4по запросу
Италия


.jpg)

