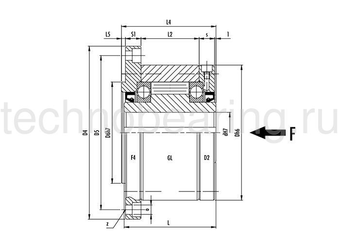
Обгонная муфта GL70F4D2 (GFR70F2F7) CTS
Аналоги
-
АртикулЦена
-
Альтернативная маркировка RingspannFGR70A2A7по запросу
-
Альтернативная маркировка TsubakiMZEU70KE2E7по запросу
-
Альтернативная маркировка StieberGFR70F2F7по запросу
-
Альтернативная маркировка GMNVGL70F4D4по запросу
Италия
.jpg)


