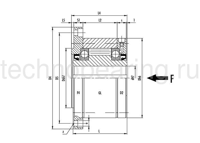
Обгонная муфта GL90F4D2 (GFR90F2F7) CTS
Аналоги
-
АртикулЦена
-
Альтернативная маркировка RingspannFGR90A2A7по запросу
-
Альтернативная маркировка TsubakiMZEU90KE2E7по запросу
-
Альтернативная маркировка StieberGFR90F2F7по запросу
-
Альтернативная маркировка GMNVGL90F4D4по запросу
С этим товаром покупают
-
-
Наличие
Много Много
-
Цена
627 руб./шт
-
Бренд
TITAN LOCK
-
Наличие
Италия




