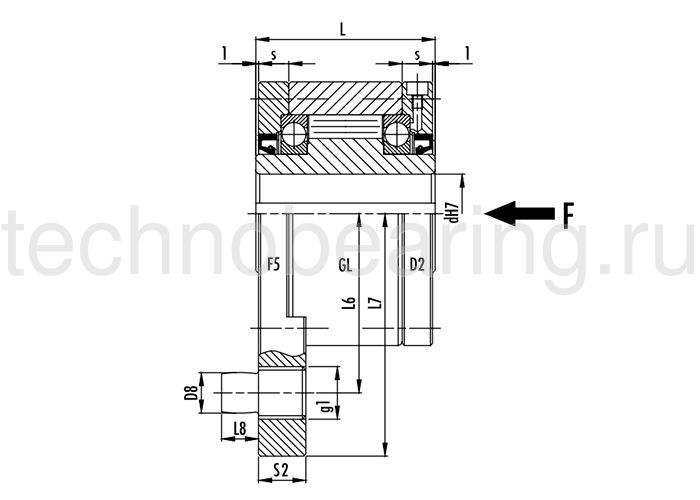
Обгонная муфта GL40F5D2 (GFR40F2F3) CTS
Аналоги
-
АртикулЦена
-
Альтернативная маркировка RingspannFGR40 RA2A3по запросу
-
Альтернативная маркировка TsubakiMZEU40K E2E3по запросу
-
Альтернативная маркировка StieberGFR40 F2F3по запросу
-
Альтернативная маркировка GMNVGL40 F5D2по запросу
Италия


.jpg)

