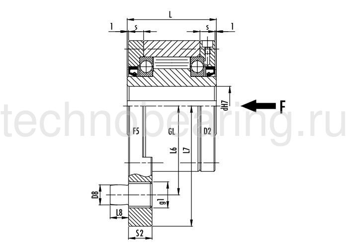
Обгонная муфта GL50F5D2 (GFR50F2F3) CTS
Аналоги
-
АртикулЦена
-
Альтернативная маркировка RingspannFGR50 RA2A3по запросу
-
Альтернативная маркировка TsubakiMZEU50K E2E3по запросу
-
Альтернативная маркировка StieberGFR50 F2F3по запросу
-
Альтернативная маркировка GMNVGL50 F5D2по запросу
Италия

.jpg)


