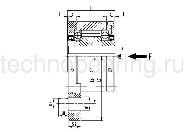
Обгонная муфта GL70F5D2 (GFR70F2F3) CTS
Аналоги
-
АртикулЦена
-
Альтернативная маркировка RingspannFGR70 RA2A3по запросу
-
Альтернативная маркировка TsubakiMZEU70K E2E3по запросу
-
Альтернативная маркировка StieberGFR70 F2F3по запросу
-
Альтернативная маркировка GMNVGL70 F5D2по запросу
Италия
.jpg)


