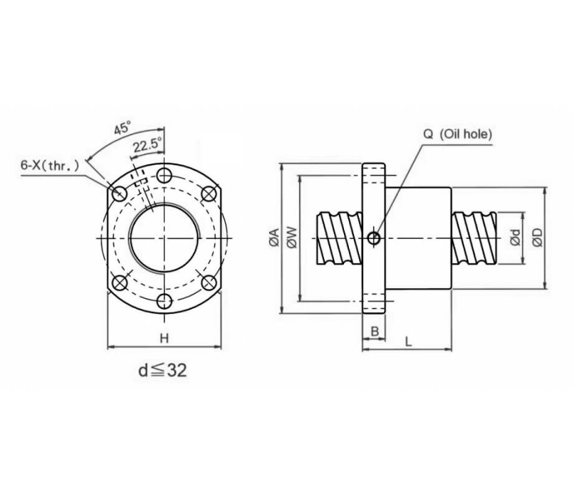
Гайка ШВП SFU2005 ISKRA
-
Наружный диаметр D, мм36
-
Динамическая грузоподъемность С, H9100
-
Отверстие под смазку QM6
-
Диаметр фланца A, мм58
-
Расстояние между крепежными отверстиями W, мм47
-
Ширина фланца H, мм44
-
Толщина фланца B, мм10
-
Кол-во опорных дорожек n2
-
Диаметр шарика Dw, мм3,175
-
Длина L, мм51
-
Статическая грузоподъемность Coa, Н17100
-
Шаг резьбы, мм5
-
Вес, кг0,3
-
Диаметр d, мм20
Аналоги
-
АртикулЦена
-
Альтернативная маркировка TECHNIX2 610 руб.
Россия 
