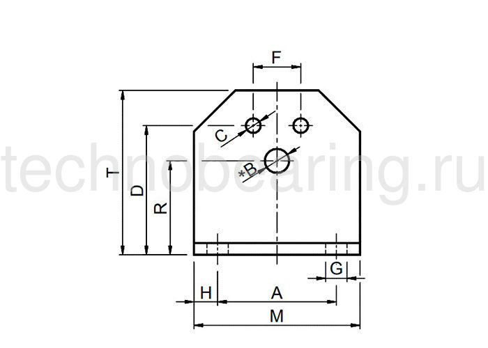
Кронштейн SB 20 Sati
с НДС
-
На складе производителя:
4 шт
Срок поставки до склада в СПб 10-12 недель
- В наличии: Под заказ
Предложим цену лучше!
Пришлите конкурентный счет
Италия

