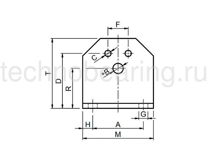
Кронштейн SB 50 Sati
с НДС
-
На складе производителя:
1 шт
Срок поставки до склада в СПб 10-12 недель
- В наличии: Под заказ
Предложим цену лучше!
Пришлите конкурентный счет
Италия

