Опора FGWA20 FLI арт. FGWA20FLI купить онлайн по низкой цене | Техноберинг
Вход / Регистрация
Не определено /
Пн-Пт. с 8:00 до 17:30
8 (800) 700-72-07

В Вашем городе отсутствует филиал Technobearing.
Выберите почтовую доставку?

Нет. Выбрать другой город
Каталог товаров
Каталог товаров

Опора FGWA20 FLI

Артикул: FGWA20FLI

Производитель: FLI

Страна бренда: Франция Франция

по запросу
с НДС
  • В наличии: Под заказ
Пришлите заявку
Бесплатная доставка
от 50000 рублей
Гарантия
12 месяцев
Предложим цену лучше!
Пришлите конкурентный счет
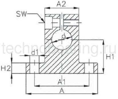
  • D, мм
    20
  • B, мм
    20
  • Вес, кг
    0.078
  • H, мм
    50
  • A, мм
    60
  • H1, мм
    30
  • H2, мм
    8
  • SW
    M5
  • Размер A1, мм
    45
  • Размер A2, мм
    32

Оставьте отзыв

Аналоги

  • Артикул
    Цена
  • Альтернативная маркировка TECHNIX
    FGWA20TECHNIX
    по запросу
  • Альтернативная маркировка NBS
    FGWA20NBS
    по запросу