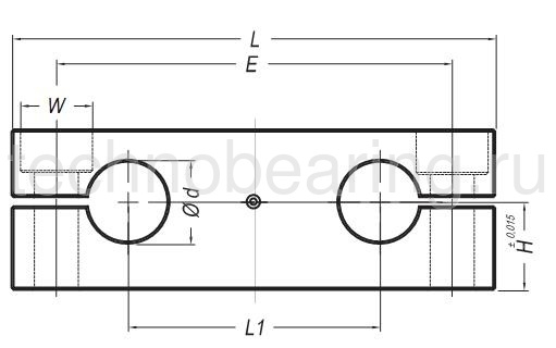
Опора KTC12 FLI
Аналоги
-
АртикулЦена
-
Альтернативная маркировка TECHNIXKTC12TECHNIXпо запросу
-
Альтернативная маркировка NBSKTC12NBSпо запросу
Франция
