Опора KTC20 FLI (KTC20FLI) купить онлайн за | Техноберинг
Вход / Регистрация
Не определено /
Пн-Пт. с 8:00 до 17:30
8 (800) 700-72-07

В Вашем городе отсутствует филиал Technobearing.
Выберите почтовую доставку?

Нет. Выбрать другой город
Каталог товаров
Каталог товаров

Опора KTC20 FLI

Артикул: KTC20FLI

Производитель: FLI

Страна бренда: Франция Франция

по запросу
с НДС
  • В наличии: Под заказ
Пришлите заявку
Бесплатная доставка
от 50000 рублей
Гарантия
12 месяцев
Предложим цену лучше!
Пришлите конкурентный счет
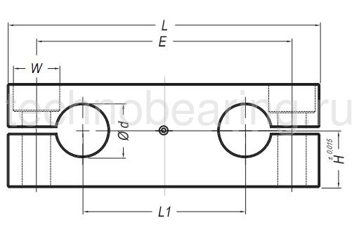
  • D, мм
    20
  • Вес, кг
    0.2
  • L, мм
    115
  • H, мм
    22
  • E, мм
    97
  • A, мм
    18
  • H1, мм
    40
  • Y
    29
  • L1, мм
    63
  • Размер U, мм
    9
  • W, мм
    15

Оставьте отзыв

Аналоги

  • Артикул
    Цена
  • Альтернативная маркировка TECHNIX
    KTC20TECHNIX
    по запросу
  • Альтернативная маркировка NBS
    KTC20NBS
    по запросу