Опора ШВП BF17 TECHNIX (BF17TECHNIX) купить онлайн за 1 958 руб. | Техноберинг
Вход / Регистрация
Не определено /
Пн-Пт. с 8:00 до 17:30
8 (800) 700-72-07

В Вашем городе отсутствует филиал Technobearing.
Выберите почтовую доставку?

Нет. Выбрать другой город
Каталог товаров
Каталог товаров

Опора ШВП BF17 TECHNIX

Артикул: BF17TECHNIX

Производитель: TECHNIX

Страна бренда: Россия Россия

1 958 ₽/шт
с НДС
  • В наличии:   Много Много
Пришлите заявку
Бесплатная доставка
от 50000 рублей
Гарантия
12 месяцев
Предложим цену лучше!
Пришлите конкурентный счет
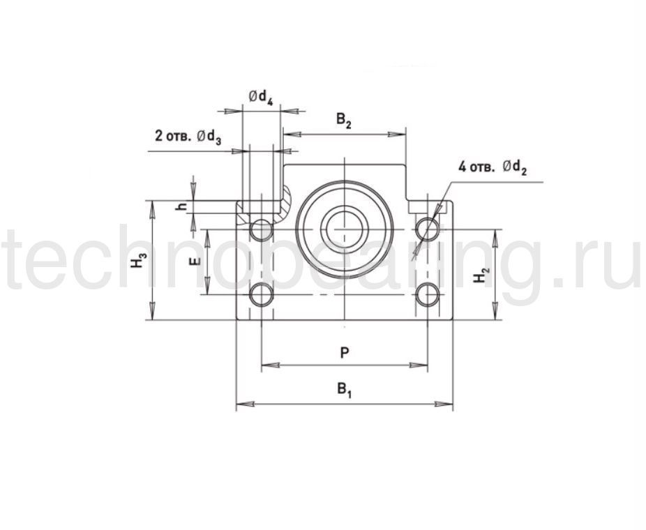
  • H, мм
    64
  • H1, мм
    55
  • Диаметр d, мм
    17
  • Вес, кг
    0.75
  • P, мм
    68
  • h мм
    39
  • d2, мм
    6.6
  • L, мм
    23
  • b, мм
    43
  • E, мм
    28
  • B, мм
    86
  • d1, мм
    17
  • H, мм
    64
  • X, мм
    9
  • Y, мм
    14
  • Размер H1, мм
    55
  • B1, мм
    50
  • Z, мм
    8.5
  • Размер P, мм
    68
  • Длина L, мм
    23
  • E, мм
    28
  • B1, мм
    50
  • Подшипник
    6203ZZ
  • Вес, кг
    0.75
  • B, мм
    86
  • Стопорное кольцо
    S 17
  • Диаметр вала d, мм
    17

Оставьте отзыв