Опора ШВП BF30 TECHNIX (BF30TECHNIX) купить онлайн за 4 216 руб. | Техноберинг
Вход / Регистрация
Не определено /
Пн-Пт. с 8:00 до 17:30
8 (800) 700-72-07

В Вашем городе отсутствует филиал Technobearing.
Выберите почтовую доставку?

Нет. Выбрать другой город
Каталог товаров
Каталог товаров

Опора ШВП BF30 TECHNIX

Артикул: BF30TECHNIX

Производитель: TECHNIX

Страна бренда: Россия Россия

4 216 ₽/шт
с НДС
  • В наличии:   Много Много
Пришлите заявку
Бесплатная доставка
от 50000 рублей
Гарантия
12 месяцев
Предложим цену лучше!
Пришлите конкурентный счет
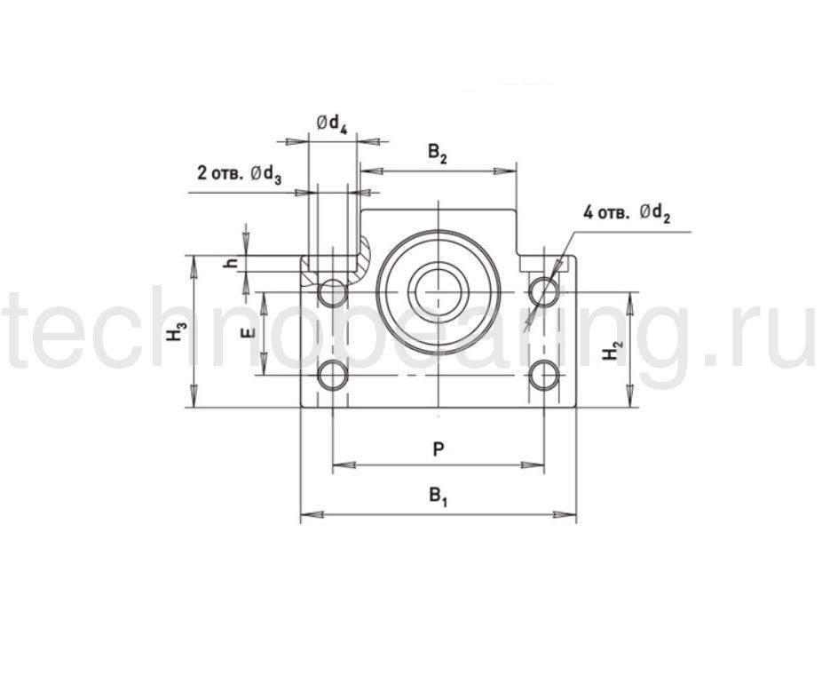
  • Диаметр d, мм
    30
  • Вес, кг
    1.95
  • P, мм
    102
  • h мм
    51
  • d2, мм
    11
  • L, мм
    32
  • b, мм
    64
  • E, мм
    33
  • B, мм
    128
  • d1, мм
    30
  • H, мм
    89
  • X, мм
    14
  • Y, мм
    20
  • Размер H1, мм
    78
  • B1, мм
    76
  • Z, мм
    13

Оставьте отзыв