Опора ШВП BF40 ISKRA (BF40-ISKRA) купить онлайн за 8 772 руб. | Техноберинг
Вход / Регистрация
Не определено /
Пн-Пт. с 8:00 до 17:30
8 (800) 700-72-07

В Вашем городе отсутствует филиал Technobearing.
Выберите почтовую доставку?

Нет. Выбрать другой город
Каталог товаров
Каталог товаров

Опора ШВП BF40 ISKRA

Артикул: BF40-ISKRA

Производитель: ISKRA

Страна бренда: Россия Россия

8 772 ₽/шт
с НДС
  • В наличии:   Мало Мало
Пришлите заявку
Бесплатная доставка
от 50000 рублей
Гарантия
12 месяцев
Предложим цену лучше!
Пришлите конкурентный счет
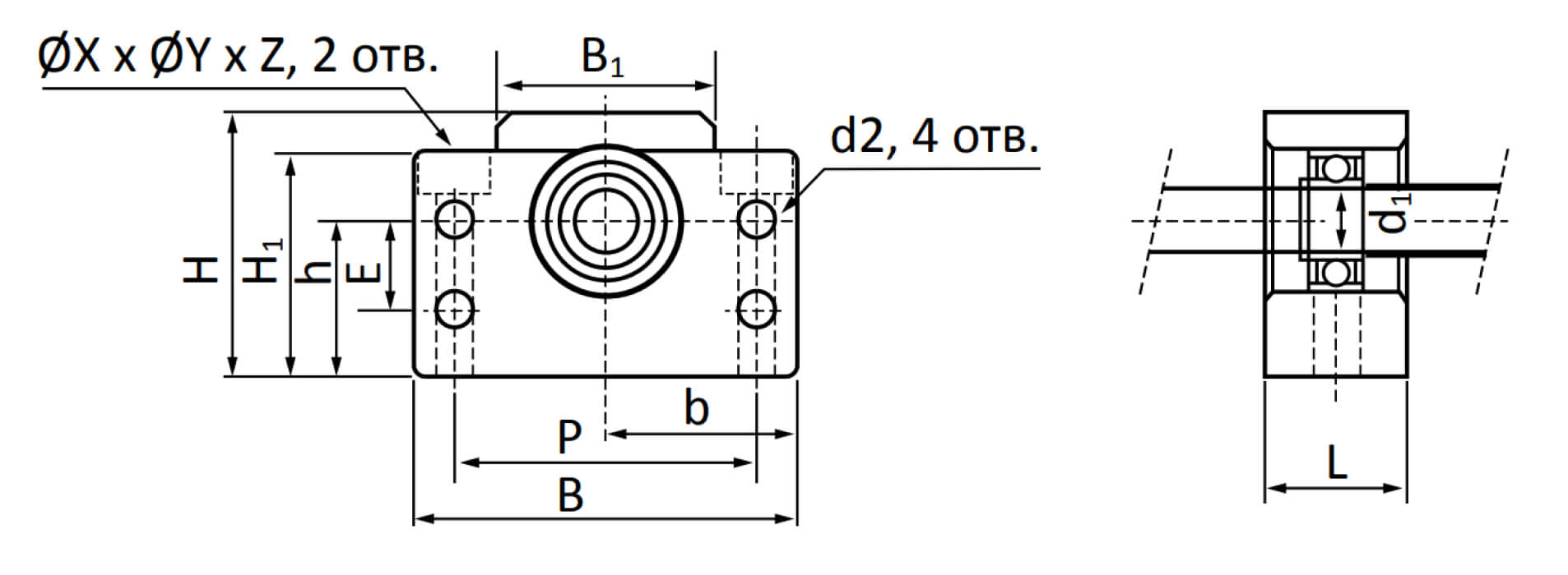
  • Ширина B, мм
    160
  • Расстояние от центра подшипника до края опоры b, мм
    80
  • Ширина выступа B1, мм
    100
  • Высота от основания опоры до выступа H1, мм
    90
  • Диаметр отверстия X, мм
    18
  • Диаметр отверстия Y, мм
    26
  • Размер шляпы Z, мм
    17,5
  • Диаметр отверстий d2, мм
    14
  • Межцентровое расстояние крепежных отверстий E, мм
    37
  • Межцентровое расстояние крепежных отверстий P, мм
    130
  • Диаметр вала d1, мм
    40
  • Длина L, мм
    37
  • Высота H, мм
    110
  • Подшипник
    6208ZZ
  • Стопорное кольцо
    S 40
  • Размер h, мм
    60

Оставьте отзыв

Опора ШВП BF40 ISKRA представляет собой конструкцию, внутри которой установлена пара радиальных подшипников. Применяется для монтажа свободного конца винта ШВП. Корпус стальной прецизионный.

Диаметр вала 40 мм.

Расстояние между центрами креплений 130 мм.

Расстояния от края опоры до центра вала 80 мм.