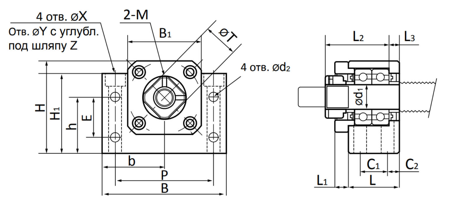
Опора ШВП BK10 ISKRA
-
Ширина B, мм60
-
Размер C1, мм13
-
Размер L2, мм29
-
Размер L3, мм5
-
Длина монтажной площадки L1, мм5
-
Расстояние от центра подшипника до края опоры b, мм30
-
Ширина выступа B1, мм34
-
Размер C2, мм6
-
Диаметр отверстия X, мм6.6
-
Диаметр отверстия Y, мм10.8
-
Размер шляпы Z, мм5
-
Диаметр отверстий d2, мм5.5
-
Высота основания опоры без выступа H1, мм32,5
-
Межцентровое расстояние крепежных отверстий E, мм15
-
Межцентровое расстояние крепежных отверстий P, мм46
-
Размер Т, мм16
-
Размер h, мм22
-
Диаметр вала d1, мм10
-
Высота H, мм39
-
Установочный винтM3
-
Вес, кг0.4
-
Длина L, мм25
Аналоги
-
АртикулЦена
-
Альтернативная маркировка TECHNIX1 763 руб.
Россия
