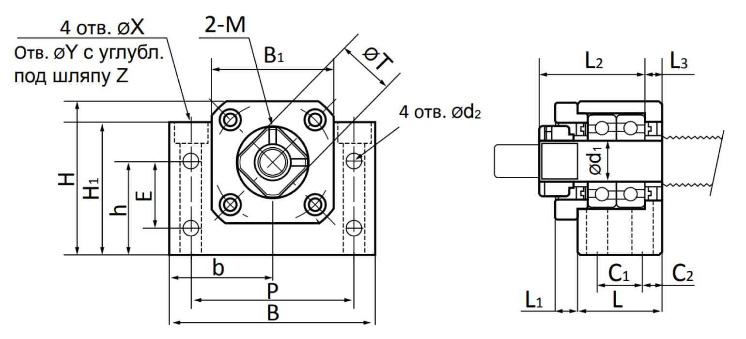
Опора ШВП BK17 ISKRA
-
Ширина B, мм86
-
Размер C1, мм19
-
Размер L2, мм44
-
Размер L3, мм7
-
Длина монтажной площадки L1, мм9
-
Расстояние от центра подшипника до края опоры b, мм43
-
Ширина выступа B1, мм50
-
Размер C2, мм8
-
Диаметр отверстия X, мм9
-
Диаметр отверстия Y, мм14
-
Размер шляпы Z, мм8.5
-
Диаметр отверстий d2, мм6.6
-
Высота основания опоры без выступа H1, мм55
-
Межцентровое расстояние крепежных отверстий E, мм28
-
Межцентровое расстояние крепежных отверстий P, мм68
-
Размер Т, мм24
-
Размер h, мм39
-
Диаметр вала d1, мм17
-
Высота H, мм64
-
Установочный винтM4
-
Вес, кг1.33
-
Длина L, мм35
Аналоги
-
АртикулЦена
-
Альтернативная маркировка TECHNIX4 410 руб.
Россия

