Опора ШВП BK20 ISKRA
-
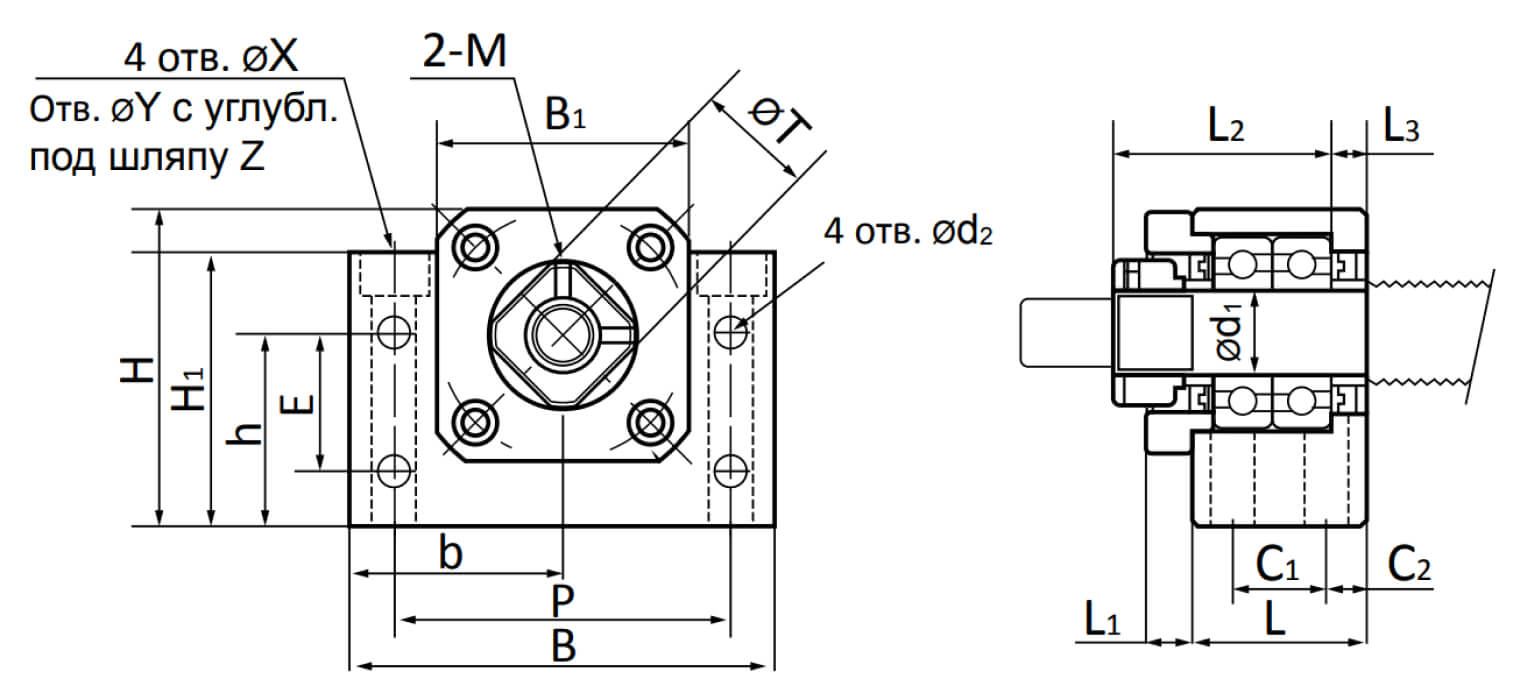
Ширина B, мм88
-
Размер C1, мм19
-
Размер L2, мм43
-
Размер L3, мм8
-
Длина монтажной площадки L1, мм8
-
Расстояние от центра подшипника до края опоры b, мм44
-
Ширина выступа B1, мм52
-
Размер C2, мм8
-
Диаметр отверстия X, мм9
-
Диаметр отверстия Y, мм14
-
Размер шляпы Z, мм8.5
-
Диаметр отверстий d2, мм6.6
-
Высота основания опоры без выступа H1, мм50
-
Межцентровое расстояние крепежных отверстий E, мм22
-
Межцентровое расстояние крепежных отверстий P, мм70
-
Размер Т, мм30
-
Размер h, мм34
-
Диаметр вала d1, мм20
-
Высота H, мм60
-
Установочный винтM4
-
Вес, кг1.43
-
Длина L, мм35
Аналоги
-
АртикулЦена
-
Альтернативная маркировка TECHNIX4 313 руб.
Россия

