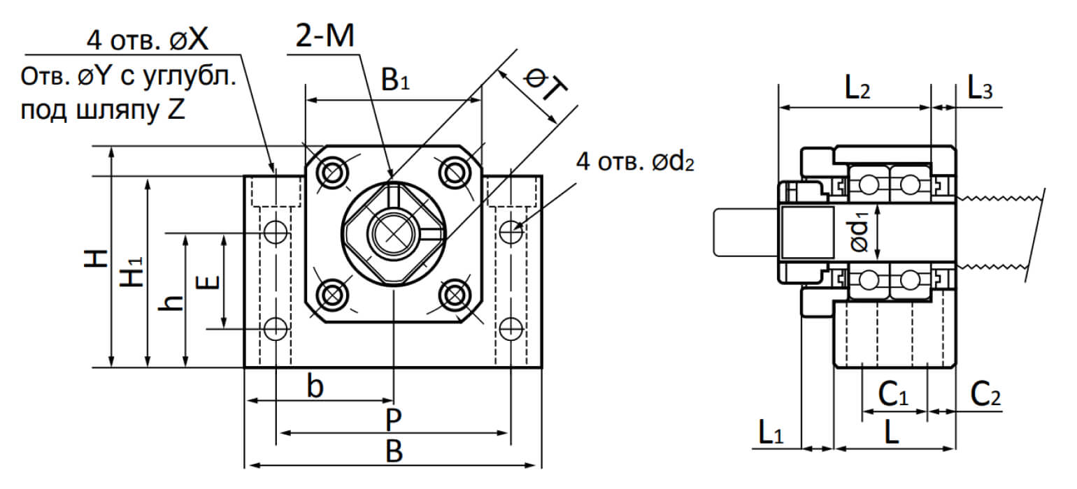
Опора ШВП BK30 ISKRA
-
Ширина B, мм128
-
Размер C1, мм23
-
Размер L2, мм61
-
Размер L3, мм9
-
Длина монтажной площадки L1, мм14
-
Расстояние от центра подшипника до края опоры b, мм64
-
Ширина выступа B1, мм76
-
Размер C2, мм11
-
Диаметр отверстия X, мм14
-
Диаметр отверстия Y, мм20
-
Размер шляпы Z, мм13
-
Диаметр отверстий d2, мм11
-
Высота основания опоры без выступа H1, мм78
-
Межцентровое расстояние крепежных отверстий E, мм33
-
Межцентровое расстояние крепежных отверстий P, мм102
-
Размер Т, мм40
-
Размер h, мм51
-
Диаметр вала d1, мм30
-
Высота H, мм89
-
Установочный винтM6
-
Вес, кг3.4
-
Длина L, мм45
Аналоги
-
АртикулЦена
-
Альтернативная маркировка TECHNIX9 256 руб.
Россия
