Опорный ролик LR206NPPU NBS (ISB) (LR206NPPUNBS) купить онлайн за 2 069 руб. | Техноберинг
Вход / Регистрация
Не определено /
Пн-Пт. с 8:00 до 17:30
8 (800) 700-72-07

В Вашем городе отсутствует филиал Technobearing.
Выберите почтовую доставку?

Нет. Выбрать другой город
Каталог товаров
Каталог товаров

Опорный ролик LR206NPPU NBS (ISB)

Артикул: LR206NPPUNBS

Производитель: NBS

Страна бренда: Италия Италия

2 069 ₽/шт
с НДС
  • В наличии: Под заказ
Пришлите заявку
Бесплатная доставка
от 50000 рублей
Гарантия
12 месяцев
Предложим цену лучше!
Пришлите конкурентный счет
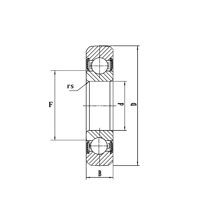
  • Внутренний диаметр d, мм
    30
  • Наружный диаметр D, мм
    72
  • Ширина B, мм
    16
  • Радиус монтажной фаски rs, мм
    1
  • Диаметр F, мм
    37,4
  • Статическая нагрузка C0, H
    11300
  • Размер
    30x72x16
  • Предельная скорость, об/мин
    7100
  • Цапфа
    нет
  • В качестве опорного ролика Дин. Cw
    16600
  • В качестве опорного ролика Стат. C0w
    9600
  • Динамическая нагрузка C, Н
    19500
  • Материал
    сталь
  • Вес, кг
    0,322

Оставьте отзыв

Опорный ролик LR206NPPU NBS – это уже готовый к установке роликоподшипник, который отвечает за восприятие высоких ударных нагрузок. Используется в конвейерных системах и системах линейного перемещения, транспортерах, кулачковых механизмах и т.д.

Оснащен наружным кольцом с толстыми стенками.

Внутренний диаметр данного ролика составляет 30 мм, наружный – 72 мм. Подходит для эксплуатации в условиях различных нагрузок.

Допустимый динамический коэффициент нагрузки – 19500 Н, статический – 11300 Н.

Предельная скорость вращения составляет 7100 об/мин.

Вес ролика – 0,322 кг.

Аналоги

  • Артикул
    Цена
  • Альтернативная маркировка SKF
    361206 R
    по запросу
  • Альтернативная маркировка INA
    LR2062RSR
    по запросу
  • Альтернативная маркировка ISKRA
    по запросу