Опорный ролик LR200NPPU ISKRA (LR200NPPU-ISKRA) купить онлайн за | Техноберинг
Вход / Регистрация
Не определено /
Пн-Пт. с 8:00 до 17:30
8 (800) 700-72-07

В Вашем городе отсутствует филиал Technobearing.
Выберите почтовую доставку?

Нет. Выбрать другой город
Каталог товаров
Каталог товаров

Опорный ролик LR200NPPU ISKRA

Артикул: LR200NPPU-ISKRA

Производитель: ISKRA

Страна бренда: Россия Россия

по запросу
с НДС
  • В наличии: Под заказ
Пришлите заявку
Бесплатная доставка
от 50000 рублей
Гарантия
12 месяцев
Предложим цену лучше!
Пришлите конкурентный счет
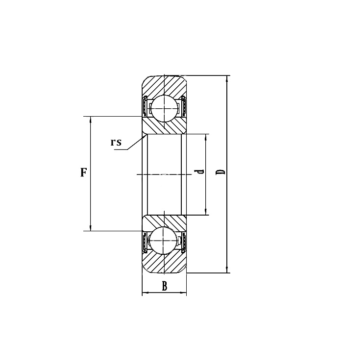
  • Внутренний диаметр d, мм
    10
  • Наружный диаметр D, мм
    32
  • Ширина B, мм
    9
  • Габариты, мм (ДхВхШ)
    32x32x9
  • Радиус монтажной фаски rs, мм
    0,6
  • Диаметр F, мм
    15,4
  • Статическая нагрузка C0, H
    2370
  • Размер
    10x32x9
  • Предельная скорость, об/мин
    16000
  • Цапфа
    нет
  • В качестве опорного ролика Дин. Cw
    4350
  • В качестве опорного ролика Стат. C0w
    2130
  • Динамическая нагрузка C, Н
    5100
  • Материал
    сталь
  • Вес, кг
    0,038

Оставьте отзыв

Опорный ролик LR200NPPU ISKRA – это уже готовый к установке роликоподшипник, который отвечает за восприятие высоких ударных нагрузок. Используется в конвейерных системах и системах линейного перемещения, транспортерах, кулачковых механизмах и т.д.

Оснащен наружным кольцом с толстыми стенками.

Внутренний диаметр данного ролика составляет 10 мм, наружный – 32 мм. Подходит для эксплуатации в условиях различных нагрузок.

Допустимый динамический коэффициент нагрузки – 5100 Н, статический – 2370 Н.

Предельная скорость вращения составляет 16000 об/мин.

Вес ролика – 0,038 кг.

Аналоги

  • Артикул
    Цена
  • Альтернативная маркировка SKF
    LR200NPPU
    по запросу
  • Альтернативная маркировка TECHNIX
    LR200NPPUTECHNIX
    по запросу
  • Альтернативная маркировка NBS
    920 руб.
  • Альтернативная маркировка INA
    LR200NPPU
    по запросу