Линейный подшипник в сборе с корпусом SBR30UU NBS (ISB) (SBR30UUNBS) купить онлайн за 5 852 руб. | Техноберинг
Вход / Регистрация
Не определено /
Пн-Пт. с 8:00 до 17:30
8 (800) 700-72-07

В Вашем городе отсутствует филиал Technobearing.
Выберите почтовую доставку?

Нет. Выбрать другой город
Каталог товаров
Каталог товаров

Линейный подшипник в сборе с корпусом SBR30UU NBS (ISB)

Артикул: SBR30UUNBS

Производитель: NBS

Страна бренда: Италия Италия

5 852 ₽/шт
с НДС
  • В наличии: Под заказ
Пришлите заявку
Бесплатная доставка
от 50000 рублей
Гарантия
12 месяцев
Предложим цену лучше!
Пришлите конкурентный счет
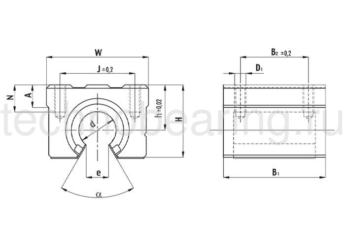
  • B1, мм
    70
  • Вес, кг
    0.63
  • A, мм
    15
  • d, мм
    30
  • Фланец
    нет
  • h мм
    33
  • Материал
    алюминий
  • a
    50°
  • H, мм
    56
  • e
    14
  • J мм
    50
  • N, мм
    18
  • B2, мм
    50
  • W, мм
    70

Оставьте отзыв

Аналоги

  • Артикул
    Цена
  • Альтернативная маркировка TECHNIX
    1 250 руб.