Линейный подшипник в сборе с корпусом SBR40UU NBS (ISB) (SBR40UUNBS) купить онлайн за 8 625 руб. | Техноберинг
Вход / Регистрация
Не определено /
Пн-Пт. с 8:00 до 17:30
8 (800) 700-72-07

В Вашем городе отсутствует филиал Technobearing.
Выберите почтовую доставку?

Нет. Выбрать другой город
Каталог товаров
Каталог товаров

Линейный подшипник в сборе с корпусом SBR40UU NBS (ISB)

Артикул: SBR40UUNBS

Производитель: NBS

Страна бренда: Италия Италия

8 625 ₽/шт
с НДС
  • В наличии: Под заказ
Пришлите заявку
Бесплатная доставка
от 50000 рублей
Гарантия
12 месяцев
Предложим цену лучше!
Пришлите конкурентный счет
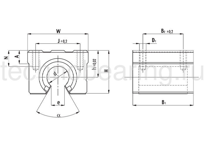
  • B1, мм
    90
  • Вес, кг
    1.33
  • A, мм
    20
  • d, мм
    40
  • Фланец
    нет
  • h мм
    42
  • Материал
    алюминий
  • a
    50°
  • H, мм
    72
  • e
    19
  • J мм
    65
  • N, мм
    20
  • B2, мм
    65
  • W, мм
    90

Оставьте отзыв

Аналоги

  • Артикул
    Цена
  • Альтернативная маркировка TECHNIX
    2 499 руб.

С этим товаром покупают