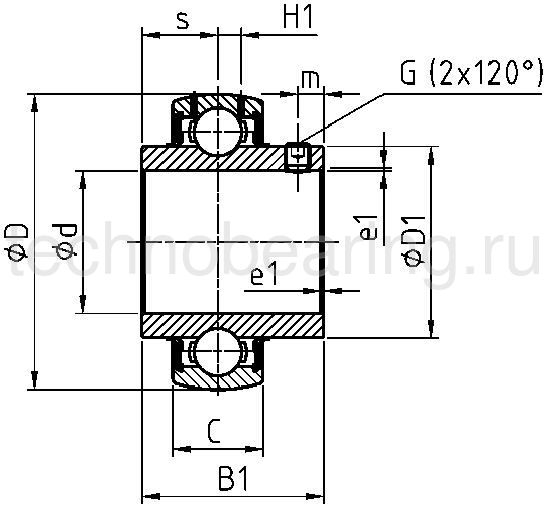
Подшипник UC205 TSC
Аналоги
-
АртикулЦена
-
Альтернативная маркировка SKFYAR 205по запросу
-
Альтернативная маркировка NSKUC205по запросу
-
Альтернативная маркировка ASAHIUC205по запросу
-
Альтернативная маркировка FAGGYE25-KRR-Bпо запросу
Италия



