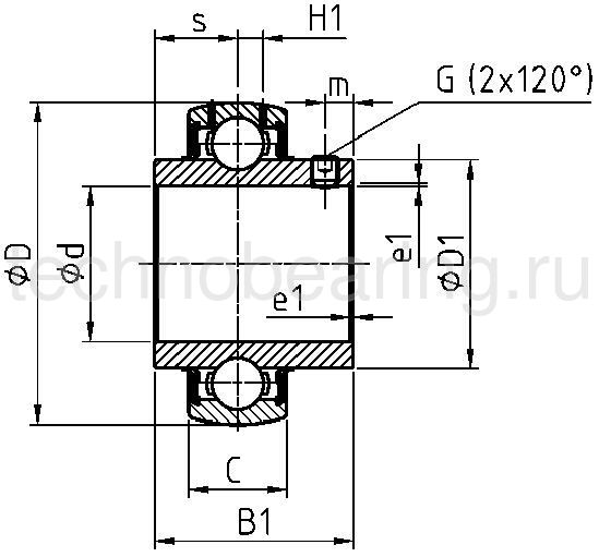
Подшипник UC209 TSC
Аналоги
-
АртикулЦена
-
Альтернативная маркировка SKFYAR 209по запросу
-
Альтернативная маркировка NSKUC209по запросу
-
Альтернативная маркировка ASAHIUC209по запросу
-
Альтернативная маркировка FAGGYE45-KRR-Bпо запросу
Италия
