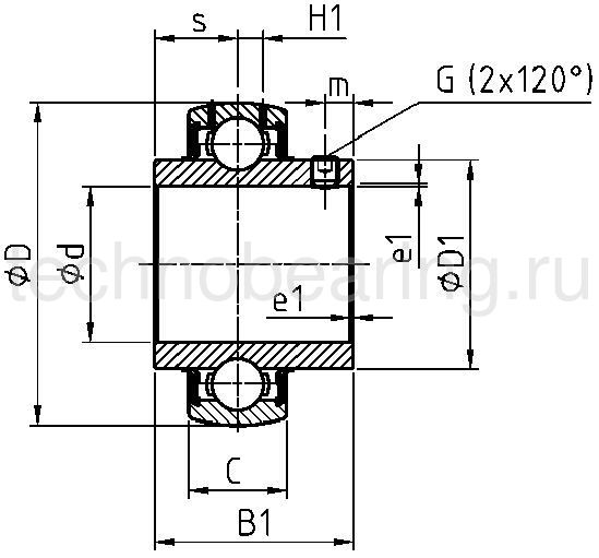
Подшипник UC210 TSC
Аналоги
-
АртикулЦена
-
Альтернативная маркировка SKFYAR 210по запросу
-
Альтернативная маркировка NSKUC210по запросу
-
Альтернативная маркировка ASAHIUC210по запросу
-
Альтернативная маркировка FAGGYE50-KRR-Bпо запросу
Италия
