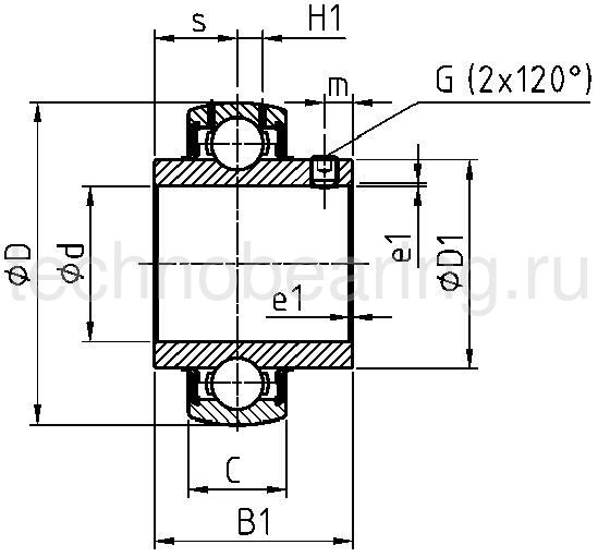
Подшипник UC214 TSC
Аналоги
-
АртикулЦена
-
Альтернативная маркировка SKFYAR 214по запросу
-
Альтернативная маркировка NSKUC214по запросу
-
Альтернативная маркировка ASAHIUC214по запросу
-
Альтернативная маркировка FAGGYE70-KRR-Bпо запросу
С этим товаром покупают
-
-
Наличие
Много Много
-
Цена
627 руб./шт
-
Бренд
TITAN LOCK
-
Наличие
Италия








