Рычаг натяжителя FE 10 Sati
с НДС
-
На складе производителя:
12 шт
Срок поставки до склада в СПб 10-12 недель
- В наличии: Под заказ
Предложим цену лучше!
Пришлите конкурентный счет
-
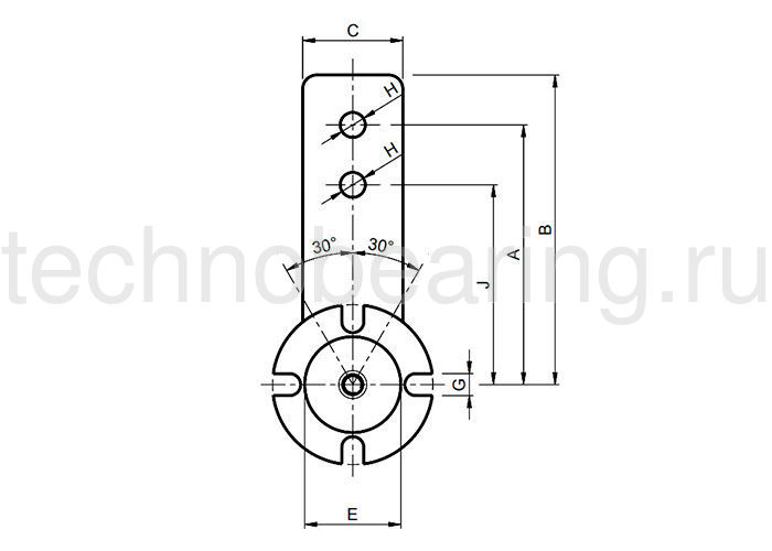
v, мм10
-
Вес, кг0.25
-
L, мм6
-
МатериалСталь+закаленная сталь
-
E, мм20
-
ТипFE 10
-
D, мм40
-
Размер10
-
O, мм5
-
S, мм3.5
-
B, мм90
-
H, мм8.5
-
Тип крепленияПередняя подвеска
-
G, мм7
-
Натяжное усилие на плече A, Нот 0 до 85
-
Натяжное усилие на плече J, Нот 0 до 113
-
A, мм80
-
I, мм50.5
-
MM5
-
Температурный диапазон, °Cот -40 ° C до + 80 ° С
-
Диапазон температур, °Cот -40° до +80°С
-
Угол поворота± 30 °
-
r, мм14
С этим товаром покупают
-
-
Наличие
Мало Мало
-
Цена
3143 руб./шт
-
Бренд
Sati
-
Наличие
-
-
Наличие
Много Много
-
Цена
1702 руб./шт
-
Бренд
Sati
-
Наличие
Италия








