Шарнирный наконечник TAPRU520 ISB
-
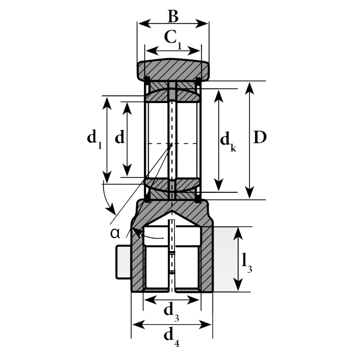
Внутренний диаметр d, мм20
-
Наружный диаметр D, мм35
-
Ширина B, мм19
-
Наружный диаметр d2, мм56
-
Диаметр хвостовика d4, мм25
-
Глубина крепежного отверстия l3, мм17
-
Внутренний диаметр d1, мм24,1
-
Размер резьбы d3, ммM16x1,5
-
Расстояние от центра отверстия шарнира до хвостовика l7, мм25
-
Диаметр хвостовика d5, мм46
-
Ширина S2, мм17
-
Высота h2, мм50
-
Ширина C1, мм16
-
Угол поворота α, °9
-
Пара трениясталь/сталь
-
Диаметр сферы dK, мм29
-
Длина наконечника l4, мм80
-
Направление резьбыправая
-
Динамическая нагрузка C, kН30
-
Вес, кг0,45
-
Статическая нагрузка C0, kH81,1
Аналоги
-
АртикулЦена
-
Альтернативная маркировка SKFSIR20ESпо запросу
-
Альтернативная маркировка FAGGIHRK20DOпо запросу
С этим товаром покупают
-
-
Наличие
Много Много
-
Цена
627 руб./шт
-
Бренд
TITAN LOCK
-
Наличие
-
-
Наличие
Под заказ
-
Цена
14930 руб./шт
-
Бренд
DASQUA
-
Наличие
-
-
Наличие
Мало Мало
-
Цена
5043 руб./шт
-
Бренд
DASQUA
-
Наличие
Италия

 копия.jpg)
.jpg)
