Вал прецизионный с опорой SBR40C ISKRA
-
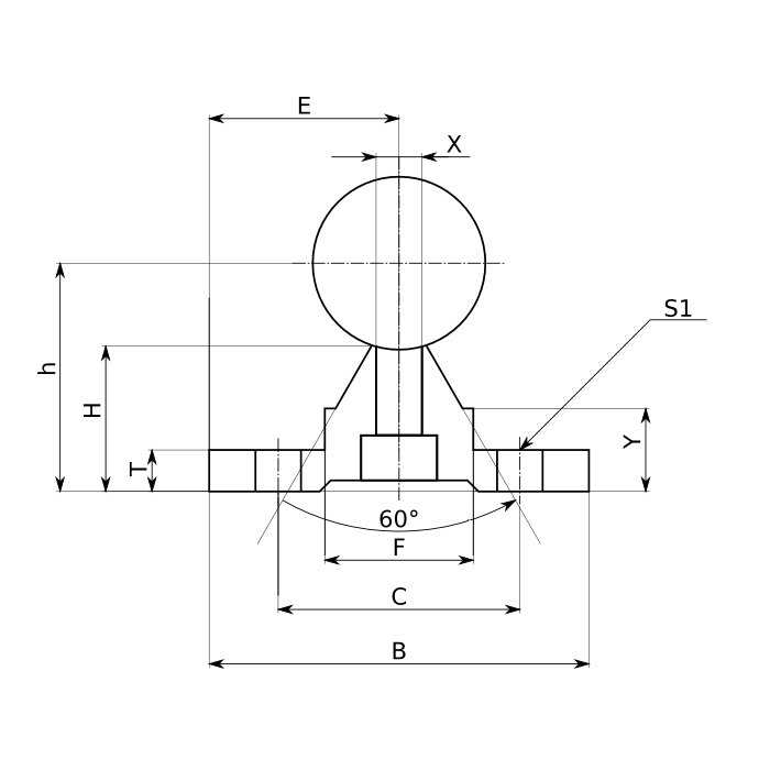
Вес, кг/см0,128
-
Ширина B, мм75
-
Ширина F, мм38
-
Диаметр d1, мм9
-
Ширина C, мм30
-
Диаметр d2, мм14
-
Размер X, мм13
-
Размер Y, мм17
-
Ширина N, мм30
-
ТипSBR
-
Диаметр вала, мм40
-
Высота H, мм29,4
-
Материалсталь Cf53
-
Ширина P, мм200
-
Ширина E, мм37,5
-
Размер S1, мм9
-
Размер T, мм8
-
Длина Lmax, мм4000
-
Высота h, мм48
-
Размер I, мм8,6
Аналоги
-
АртикулЦена
-
Альтернативная маркировка TECHNIX94 руб.
-
Альтернативная маркировка FLISBR40CFLIпо запросу
Россия 



