Вал прецизионный с опорой TBR20 ISKRA
-
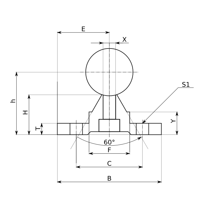
Вес, кг/см0,04
-
Ширина B, мм55
-
Ширина F, мм18,96
-
Диаметр d1, мм5,5
-
Ширина C, мм40
-
Диаметр d2, мм9,5
-
Ширина N, мм20
-
ТипTBR
-
Диаметр вала, мм20
-
Материалсталь Cf53
-
Ширина P, мм150
-
Ширина E, мм27,5
-
Размер S1, мм5,5
-
Размер T, мм8
-
Длина Lmax, мм4000
-
Высота h, мм29,01
-
Размер I, мм5,4
Аналоги
-
АртикулЦена
-
Альтернативная маркировка TECHNIX40 руб.
-
Альтернативная маркировка FLITBR20FLIпо запросу
С этим товаром покупают
-
-
Наличие
Много Много
-
Цена
326 руб./шт
-
Бренд
TECHNIX
-
Наличие
Россия 


