Втулка H2312 FKD (H2312FKD) купить онлайн за 881 руб. | Техноберинг
Вход / Регистрация
Не определено /
Пн-Пт. с 8:00 до 17:30
8 (800) 700-72-07

В Вашем городе отсутствует филиал Technobearing.
Выберите почтовую доставку?

Нет. Выбрать другой город
Каталог товаров
Каталог товаров

Втулка H2312 FKD

Артикул: H2312FKD

Производитель: FKD

881 ₽/шт
с НДС
  • В наличии: Под заказ
Пришлите заявку
Бесплатная доставка
от 50000 рублей
Гарантия
12 месяцев
Предложим цену лучше!
Пришлите конкурентный счет
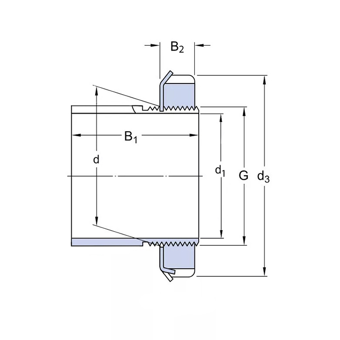
  • Диаметр d, мм
    60
  • Ширина B2, мм
    12,5
  • Диаметр d1, мм
    55
  • Диаметр d3, мм
    80
  • Резьба G
    M60X2
  • Стопорная гайка
    KM12
  • Стопорная шайба
    MB12
  • Ширина B1, мм
    62
  • Вес, кг
    0,45

Оставьте отзыв

Втулка H2312 FKD — это закрепительная втулка, которая является самым распространённым устройством для фиксации подшипников с коническим отверстием на цилиндрические валы. Она проста в установке и не требует дополнительных приспособлений для фиксации. Втулка изготовлена из стали и отличается износостойкостью и долгим сроком эксплуатации. Комплектуется стопорной гайкой KM12 и шайбой MB12.

Её внешний диаметр составляет – 80 мм.

Внутренний диаметр – 55 мм.

Ширина гайки и стопорной шайбы – 12,5 мм.

Аналоги

  • Артикул
    Цена
  • Альтернативная маркировка ISB
    1 260 руб.
  • Альтернативная маркировка SKF
    H 2312 SKF
    по запросу
  • Альтернативная маркировка TECHNIX
    836 руб.
  • Альтернативная маркировка ISKRA
    879 руб.