Звездочка со ступицей под расточку для цепи 08B-1, z=12, 1/2"x5/16" PS09012 ISKRA
-
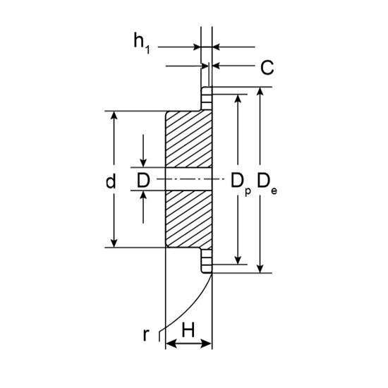
Диаметр ступицы d, мм33
-
Диаметр наружный звездочки z1 De, мм53
-
Общая ширина H, мм28
-
Диаметр делительной окружности z1 Dp, мм49,07
-
Размер цепи, дюйм1/2 x 5/16
-
Ширина зуба h1, мм7,2
-
Диаметр внутреннего отверстия D, мм10
-
Количество рядов1
-
Для цепи08B-1
-
Шаг, мм12,7
-
Внутренняя ширина звена цепи, мм7,75
-
Материалсталь С45Е
-
Диаметр ролика цепи, мм8,51
-
Радиус зуба звездочки r, мм13
-
Ширина фаски зуба C, мм1,3
-
Количество зубьев Z12
-
СтупицаДа
-
Ширина зуба L, мм7
-
Вес, кг0,2
Аналоги
-
АртикулЦена
-
Альтернативная маркировка SKFPHS08B-1B12по запросу
-
Альтернативная маркировка Sati485 руб.
С этим товаром покупают
-
-
Наличие
Много Много
-
Цена
3356 руб./м
-
Бренд
ISKRA
-
Наличие
Россия



