Спроектирован с очень малой глубиной звена для измерения толщины втулок, буртиковых характеристик в отверстии, подшипниковых втулок и т.п.
Метрические
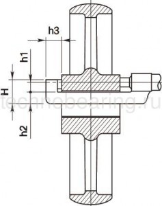
| № | Диапазон | Точность | H,мм | h1,мм | h2,мм | h3,мм | h4,мм | Масса,г | |
| 147-301 | 0-25 мм | ±2 мкм | 17,5 | 6 | 8,5 | 13,5 | 0 | 135 | Под запрос |
| 147-302 | 25-50 мм | ±2 мкм | 20,5 | 6,5 | 11 | 14 | 25 | 150 | Под запрос |
| 147-303 | 50-75 мм | ±2 мкм | 20,5 | 6,5 | 11 | 13 | 50 | 170 | Под запрос |
| 147-304 | 75-100 мм | ±3 мкм | 20,5 | 6,5 | 11 | 13 | 75 | 185 | Под запрос |
Дюймовые
| № | Диапазон | Точность | H,мм | h1,мм | h2,мм | h3,мм | h4,мм | Масса,г | |
| 147-351 | 0 - 1" | ±0,0001" | 17,5 | 6 | 8,5 | 13,5 | 0 | 135 | Под запрос |
| 147-352* | 1 - 2" | ±0,0001" | 20,5 | 6,5 | 11 | 14 | 25,4 | 150 | Под запрос |
| 147-353* | 2 - 3" | ±0,0001" | 20,5 | 6,5 | 11 | 13 | 50,8 | 170 | Под запрос |
| 147-354* | 3 - 4" | ±0,00015" | 20,5 | 6,5 | 11 | 13 | 76,2 | 185 | Под запрос |
| Точность | См. перечень технических характеристик |
| Градуировка | 0,01 мм или 0,001 дюйма |
| Шкалы | Барабан и изолирующая трубка с матовым хромовым покрытием, 018 мм |
| Плоскостность | 0,6 мкм |
| Параллельность | (2+L/100) мкм 1_=макс. диапазон (мм) |
| Измерительные поверхности |
Твердосплавный наконечник, полированное покрытие |
| Рама | С эмалированным покрытием |
| Измерительный шпиндель |
Шаг шпинделя 0,5 мм |
| Усилие измерения |
5-10 Н |
| Поставка | В комплекте с коробкой, установочной мерой (от 25 мм и выше), ключом |
