Микрометры Mitutoyo гладкие со сменными пятками серия 117 - вся информация | Техноберинг
Вход / Регистрация
Не определено /
Пн-Пт. с 8:00 до 17:30
8 (800) 700-72-07

В Вашем городе отсутствует филиал Technobearing.
Выберите почтовую доставку?

Нет. Выбрать другой город
Каталог товаров
Каталог товаров

Микрометры Mitutoyo гладкие со сменными пятками серия 117

• Предназначен для особых измерительных задач.
• Для измерения толщины труб, а также отверстий и слотов, от края до края и элементов в труднодоступных местах.

Микрометр гладкий Mitutoyo серия 117 фото Микрометр гладкий Mitutoyo серия 117

 

Метрические

Диапазон Точность Пятки включены Масса,г
117-101
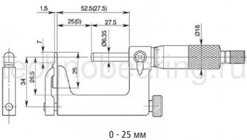
0-25 мм +4 мкм 201217, 201216 255
117-102 25-50 мм ±4 мкм 201379, 201216 320

Дюймовые

Диапазон Точность Пятки включены Масса,г  
117-107 0-1" ±0.0002" 201217, 201216 255 Под запрос
117-108* 1-2" ±0.0002" 201379, 201216 320 Под запрос

Микромектры цифровые со сменными пятками пример Микромектры цифровые со сменными пятками пример 1

Микромектры цифровые со сменными пятками пятки

 

Основные аксессуары:

Описание  
950758 Круглая пластина (только для Под запрос
  диапазона измерения 0-25 мм)  
950759 Круглая пластина (только для Под запрос
  диапазона измерения 25-25 мм)  
201218 Призмовидная измерительная пятка Под запрос

Дополнительные аксессуары:

Описание  
201217 Цилиндрическая пятка Ø3 мм Под запрос
201379 Цилиндрическая пятка Ø5 мм Под запрос
201216 Плоская пятка Под запрос

Спецификация:

Точность См. перечень технических характеристик
Градуировка 0,01 мм или 0,0001 дюйма
Шкалы Барабан и изолирующая трубка с матовым
хромовым покрытием
Плоскостность 0,6 мкм (шпиндель) 2 мкм (пятка)
Параллельность 3 мкм
Измерительные
поверхности
Твердосплавн.
Рама С эмалированным покрытием
Измерительный
шпиндель
06,35 мм, шаг шпинделя 0,5 мм с зажимом
шпинделя
Усилие
измерения
5-10 Н
Поставка В комплекте с коробкой, установочной мерой
(от 25 мм и выше), ключом, пятками