Метрические
| № | Диапазон | Точность | а,мм | Примечания | Установочная мера | Масса, г | |
| 114-101 | 1-15 мм | ±4 мкм | 0,5 | с канавкой | 167-327 0 5 | 120 | Под запрос |
| 114-161 | 1-15 мм | ±4 мкм | 0,5 | - | 167-327 0 5 | 120 | |
| 114-204 | 2.3-25 мм | ±4 мкм | 0,5 | - | 167-327 0 5 | 290 | |
| 114-102 | 10-25 мм | ±4 мкм | 6,2 | с канавкой | 167-328 0 10 | 280 | |
| 114-162 | 10-25 мм | ±4 мкм | 6,2 | - | 167-328 0 10 | 280 | |
| 114-103 | 25-40 мм | ±5 мкм | 19,14 | - | 167-329 0 25 | 400 | |
| 114-104 | 40-55 мм | ±6 мкм | 32,13 | - | 167-330 0 40 | 465 | Под запрос |
| 114-105 | 55-70 мм | ±6 мкм | 45,12 | - | 167-331 0 55 | 675 | Под запрос |
| 114-106 | 70-85 мм | ±7 мкм | 58,11 | - | 167-332 0 70 | 910 | Под запрос |
| 114-107 | 85-100 мм | ±7 мкм | 71,1 | - | 167-333 0 85 | 1 160 | Под запрос |
Дюймовые
| № | Диапазон | Точность | а,мм | Примечания | Установочная мера | Масса, г | |
| 114-163 | 5-6" | ±0.0002" | 0,5 | - | 167-327 0 5 | 120 | Под запрос |
| 114-202* | 9 - 1" | ±0.0002" | 6,2 | - | 167-327 0 5 | 290 | Под запрос |
| 114-113 | 1-16" | ±0.00025" | 19,14 | - | 167-329 0 25 | 400 | Под запрос |
| 114-114 | 16-22" | ±0.0003" | - | 167-330 0 40 | 465 | Под запрос |
Спецификация
| Точность | См. перечень технических характеристик |
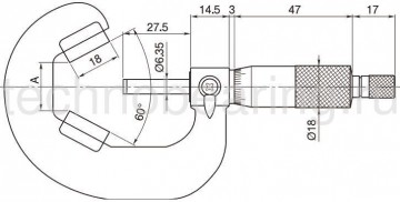
| Градуировка | 0,01 мм, 0.001"/0.0001" |
| Шкалы | Барабан и изолирующая трубка с матовым хромовым покрытием, 018 мм |
| Плоскостность | 0,6 мкм (шпиндель) 1,3 мкм (пятка) |
| Измерительные поверхности |
Угол призмы 60° |
| Рама | С эмалированным покрытием |
| Измерительный шпиндель |
06,35 мм, с зажимом шпинделя |
| Усилие измерения |
5-10 Н |
| Поставка | В комплекте с коробкой, установочной мерой, ключом |

