•Для измерения 3-канавочных метчиков, сверел, зеньковок и т.п.
• Доступны клиновидные пятки с канавкой по осевой линии для измерения диметра шага метчиков однопроводным методом.
Функции:
| Вывод данных |
| ZERO/ABS (НУЛЬ/АБС.) |
| Автоотключение через 20 мин. неиспользования |
| HOLD (УДЕРЖ.) |
| 2 х PRESET |
| Аварийный сигнал о низком напряжении |
| Функция блокировки |
Метрические
| № | Диапазон | Точность | Примечания | Масса,г | |
| 314-251-10 | 1-15 мм | ±4 мкм | с канавкой | 275 | Под запрос |
| 314-261-10 | 1-15 мм | ±4 мкм | - | 275 | Под запрос |
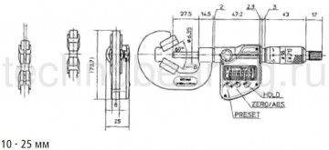
| 314-252-10 | 10-25 мм | ±4 мкм | с канавкой | 410 | Под запрос |
| 314-262-10 | 10-25 мм | ±4 мкм | - | 410 | Под запрос |
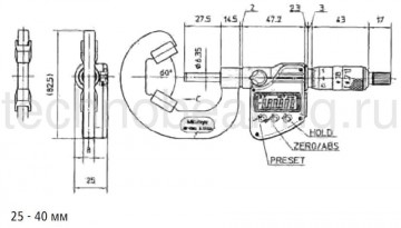
| 314-253-10 | 25-40 мм | ±5 мкм | - | 465 | Под запрос |
Дюйм./Метр.
| № | Диапазон | Точность | Примечания | Масса,г | |
| 314-351-10* | 0.05-0.6" | ±4 мм/0.0002" | с канавкой | 275 | Под запрос |
| 314-361-10* | 0.05-0.6" | ±4 мкм/0.0002" | - | 275 | Под запрос |
| 314-352-10* | 0.4-1" | ±4 мкм/0.0002" | с канавкой | 410 | Под запрос |
| 314-362-10* | 0.4-1" | ±4 мкм/0.0002" | - | 410 | Под запрос |
| 314-353-10* | 1-1.6" | ±5 мкм/0.00025" | - | 465 | Под запрос |
Кабели
| № | Описание | |
| 05CZA662 | Кабель Digimatic с переключателем (1 м) | Под запрос |
| 05CZA663 | Кабель Digimatic с переключателем (2 м) | Под запрос |
| 06ADV380B | Кабель прямого вывода USB с переключателем (2 м) | Под запрос |
| 02AZD790B | Соединительный кабель U-Wave с переключателем | Под запрос |
| Расходуемые аксессуары | ||
| № | Описание | |
| 938882 | батарея SR44 | Под запрос |
Спецификация:
| Точность | См. перечень технических характеристик (за исключением ошибки дискретизации) |
| Цифровой шаг |
0,001 мм или 0,001 мм/0,00005 дюйма |
| Шкалы | Барабан и изолирующая трубка с матовым хромовым покрытием, 0 18 мм |
| Плоскостность | 0,3 мкм (шпиндель) 1 мкм (пятка) |
| Измерительные поверхности |
Угол призмы 60° |
| Рама | С эмалированным покрытием |
| Измерительный шпиндель |
0 6,35 мм, шаг шпинделя 0,75 мм, с зажимом шпинделя |
| Усилие измерения |
5-10N/3-8N (1-15 мм) |
| Срок службы батареи |
приблизительно 1,2 года |
| Поставка | В комплекте с коробкой, установочной мерой, ключом, 1 батареей |
![]() |
- Диапозон измерений: 0-40 мм
- Разрешение: 0,001 мм
- Точность: Согласно DIN 863-1
- Производитель: MITUTOYO (Япония) |
|||||||||
|
Цифровой микрометр с v-образной или призматической пяткой для измерения деталий с тремя осевыми пазами, таких, как концевые фрезы, сверлы, развертки. - Шкала: стебель и барабан с матовым хромированием, ø 18 мм - Шпиндель: ø 6,35 мм, шаг 0,75 мм/об, фиксатор - Измерительные поверхности: угол призмы 60° - Скоба: покрытие эмалью - Измерительное усилие: 5-10 Н, 3-8 Н (314-251, 314-261) В комплект входит:
Дополнительные принадлежности:
Расходные материалы:
|
||||||||||
| № | Диапазон измерений, мм | Масса, г |
| Измерительные поверхности с канавками | ||
| 314-251 |
1-15 | 275 |
| 314-252 | 10-25 | 410 |
| 314-253 | 25-40 | 465 |
| Измерительные поверхности без канавок | ||
| 314-261 |
1-15 | 275 |
| 314-262 |
10-25 | 410 |
