
Описание аналога RINGSPANN в PDF
|
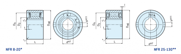
Обгонная муфта STIEBER |
Size |
|
Overrunning speeds |
|
Weight |
||||||||||
|
|
dH7[mm] |
T 1) |
n 2) |
n3) |
Bearing |
Dn6 |
D2 |
D4 |
L |
l |
t |
bh11 |
r |
r1 |
[kg] |
|
STIEBER NF8 |
8 |
20 |
1000 |
1000 |
* |
37 |
20 |
30 |
20 |
|
3 |
6 |
1 |
1,5 |
0,1 |
|
STIEBER NF12 |
12 |
20 |
1000 |
1000 |
* |
37 |
20 |
30 |
20 |
|
3 |
6 |
1 |
1,5 |
0,1 |
|
STIEBER NF15 |
15 |
78 |
850 |
850 |
* |
47 |
26 |
37 |
30 |
|
3,5 |
7 |
1,5 |
1,5 |
0,3 |
|
STIEBER NF20 |
20 |
188 |
650 |
650 |
* |
62 |
37 |
52 |
36 |
|
3,5 |
8 |
2,0 |
2,0 |
0,6 |
|
STIEBER NF25 |
25 |
250 |
2100 |
3600 |
16008** |
80 |
40 |
68 |
40 |
0,2 |
4 |
9 |
2,5 |
2,0 |
1,2 |
|
STIEBER NF30 |
30 |
500 |
1800 |
2100 |
16009** |
90 |
75 |
52,5 |
48 |
5 |
12 |
2,5 |
2,5 |
2,0 |
1,8 |
|
STIEBER NF35 |
35 |
663 |
1600 |
1950 |
16010** |
100 |
80 |
58 |
53 |
6 |
13 |
2,5 |
2,5 |
2,5 |
2,4 |
|
STIEBER NF40 |
40 |
1100 |
1250 |
1700 |
16011** |
110 |
90 |
62 |
63 |
7 |
15 |
3,0 |
3 |
2,5 |
3,3 |
|
STIEBER NF45 |
45 |
1500 |
1100 |
1500 |
16012** |
20 |
95 |
69 |
63 |
7 |
16 |
3,0 |
3 |
2,5 |
4,0 |
|
STIEBER NF50 |
50 |
2375 |
850 |
1300 |
16014** |
130 |
110 |
82 |
80 |
8,5 |
17 |
3,5 |
3,5 |
3,0 |
5,7 |
|
STIEBER NF55 |
55 |
2500 |
800 |
1200 |
16015** |
140 |
115 |
83 |
80 |
9 |
18 |
3,5 |
3,5 |
3,0 |
6,5 |
|
STIEBER NF60 |
60 |
4250 |
700 |
1100 |
16016** |
150 |
125 |
93,5 |
95 |
9 |
18 |
3,5 |
3,5 |
3,5 |
8,9 |
|
STIEBER NF70 |
70 |
5875 |
620 |
900 |
16018** |
170 |
140 |
106 |
110 |
9 |
20 |
3,5 |
3,5 |
3,5 |
13,5 |
|
STIEBER NF80 |
80 |
10000 |
550 |
800 |
16021** |
190 |
160 |
122 |
125 |
9 |
20 |
4,0 |
4 |
3,5 |
19,0 |
|
STIEBER NF90 |
90 |
17250 |
480 |
700 |
16024** |
215 |
180 |
133 |
140 |
11,5 |
24 |
4,0 |
4 |
4,0 |
27,2 |
|
STIEBER NF100 |
100 |
19625 |
400 |
600 |
16028** |
260 |
210 |
157 |
150 |
14,5 |
28 |
4,0 |
4 |
4,0 |
44,5 |
|
STIEBER NF130 |
130 |
34750 |
300 |
480 |
16032** |
300 |
240 |
188 |
180 |
17 |
32 |
5,0 |
5 |
5,0 |
68,0 |