Описание аналога RINGSPANN в PDF
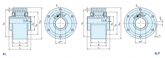
![]()
|
Обгонная муфта STIEBER |
Size |
|
Overrunning speeds |
|
Weight |
|||||||||||||
|
|
dH7[mm] |
T 1) |
n 2) |
n3) |
Dh7 [mm] |
D2 [mm] |
D4 |
D3 |
O |
z |
L1 |
L4) |
B |
t1 |
bH8 |
f [mm] |
[kg] |
TR [Ncm] |
|
STIEBER AL-ALP12 |
12 |
55 |
4000 |
7200 |
62 |
20 |
42 |
51 |
5,5 |
3 |
42 |
20,3 |
27 |
2,4 |
4 |
0,5 |
0,5 |
3,4 |
|
STIEBER AL-ALP15 |
15 |
125 |
3600 |
6500 |
68 |
25 |
47 |
56 |
5,5 |
3 |
52 |
30,3 |
34,1 |
2,9 |
5 |
0,8 |
0,8 |
4,1 |
|
STIEBER AL-ALP20 |
20 |
181 |
2700 |
5600 |
75 |
30 |
55 |
64 |
5,5 |
4 |
57 |
34,3 |
39,1 |
3,5 |
6 |
0,8 |
1,0 |
8 |
|
STIEBER AL-ALP25 |
25 |
288 |
2100 |
4500 |
90 |
40 |
68 |
78 |
5,5 |
6 |
60 |
37,3 |
42,1 |
4,1 |
8 |
1,0 |
1,5 |
14 |
|
STIEBER AL-ALP30 |
30 |
500 |
1700 |
4100 |
100 |
45 |
75 |
87 |
6,6 |
6 |
68 |
44,3 |
49,1 |
4,1 |
8 |
1,0 |
2,2 |
23 |
|
STIEBER AL-ALP35 |
35 |
725 |
1550 |
3800 |
110 |
50 |
80 |
96 |
6,6 |
6 |
74 |
48,3 |
54,1 |
4,7 |
10 |
1,0 |
3,0 |
60 |
|
STIEBER AL-ALP40 |
40 |
1025 |
1150 |
3400 |
125 |
55 |
90 |
108 |
9 |
6 |
86 |
53,3 |
62,1 |
4,9 |
12 |
1,5 |
4,6 |
72 |
|
STIEBER AL-ALP45 |
45 |
1125 |
1000 |
3200 |
130 |
60 |
95 |
112 |
9 |
8 |
86 |
56,3 |
62,1 |
5,5 |
14 |
1,5 |
4,7 |
140 |
|
STIEBER AL-ALP50 |
50 |
2125 |
800 |
2800 |
150 |
70 |
110 |
132 |
9 |
8 |
92 |
63,3 |
69,1 |
5,5 |
14 |
1,5 |
7,2 |
180 |
|
STIEBER AL-ALP55 |
55 |
2625 |
750 |
2650 |
160 |
75 |
115 |
138 |
11 |
8 |
104 |
67 |
73,1 |
6,2 |
16 |
2,0 |
8,6 |
190 |
|
STIEBER AL-ALP60 |
60 |
3500 |
650 |
2450 |
170 |
80 |
125 |
150 |
11 |
10 |
114 |
78 |
84 |
6,8 |
18 |
2,0 |
10,5 |
240 |
|
STIEBER AL-ALP70 |
70 |
5750 |
550 |
2150 |
190 |
90 |
140 |
165 |
11 |
10 |
134 |
95 |
103 |
7,4 |
20 |
2,5 |
13,5 |
320 |
|
STIEBER AL-ALP80 |
80 |
8500 |
500 |
1900 |
210 |
105 |
160 |
185 |
11 |
10 |
144 |
100 |
108 |
8,5 |
22 |
2,5 |
18,2 |
330 |
|
STIEBER AL-ALP90 |
90 |
14500 |
450 |
1700 |
230 |
120 |
180 |
206 |
14 |
10 |
158 |
115 |
125 |
8,7 |
25 |
3,0 |
28,5 |
650 |
|
STIEBER AL-ALP100 |
100 |
20000 |
350 |
1450 |
270 |
140 |
210 |
240 |
18 |
10 |
182 |
120 |
131 |
9,9 |
28 |
3,0 |
42,5 |
830 |
|
STIEBER AL-ALP120 |
120 |
31250 |
250 |
1250 |
310 |
160 |
240 |
278 |
18 |
12 |
202 |
140 |
152 |
11,1 |
32 |
3,0 |
65,0 |
1080 |
|
STIEBER AL-ALP150 |
150 |
70000 |
200 |
980 |
400 |
200 |
310 |
360 |
22 |
12 |
246 |
180 |
196 |
12,3 |
36 |
4,0 |
138,0 |
1240 |
| STIEBER AL-ALP200 | 200 | 175000 | 150 | 750 | 520 | 260 | 400 | 460 | 26 | 18 | 326 | 240 | 265 | 15 | 45 | 5,0 | 315,0 | 3800 |
| STIEBER AL-ALP250 | 250 | 287500 | 120 | 620 | 610 | 320 | 480 | 545 | 33 | 20 | 396 | 300 | 330 | 15 | 45 | 5,0 | 512,0 | 6100 |
| STIEBER ALM25 | 25 | 388 | 2100 | 2800 | 90 | 40 | 68 | 78 | 5,5 | 6 | 60 | 37,3 | 42,1 | 4,1 | 8 | 1,0 | 1,7 | 22 |
| STIEBER ALM30 | 30 | 588 | 1700 | 2500 | 100 | 45 | 75 | 87 | 6,6 | 6 | 68 | 44,3 | 49,1 | 4,1 | 8 | 1,0 | 2,5 | 37 |
| STIEBER ALM35 | 35 | 838 | 1550 | 2400 | 110 | 50 | 80 | 96 | 6,6 | 6 | 74 | 48,3 | 54,1 | 4,7 | 10 | 1,0 | 3,2 | 66 |