
Описание аналога RINGSPANN в PDF
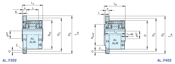
![]()
|
Обгонная муфта STIEBER |
Size |
|
Overrunning speeds |
|
Weight |
||||||||||
|
|
dH7 |
KEE |
T |
n 1) |
n2) |
L1 [mm] |
D [mm] |
dkh7 |
D6 |
L6 |
L8 |
b |
s |
f [mm] |
[kg] |
|
STIEBER AL-KEED2-12 |
12 |
2 |
55 |
2500 |
6000 |
62 |
42 |
12..25 |
97 |
35 |
90 |
13 |
3 |
0,5 |
3 |
|
STIEBER AL-KEED2-15 |
15 |
3 |
122 |
1900 |
6000 |
68 |
52 |
16..30 |
112 |
40 |
110 |
18 |
3 |
0,8 |
4,4 |
|
STIEBER AL-KEED2-20 |
20 |
3 |
122 |
1600 |
5600 |
75 |
57 |
16..30 |
112 |
40 |
114,5 |
17,5 |
3 |
0,8 |
4,6 |
|
STIEBER AL-KEED2-25 |
25 |
4 |
288 |
1400 |
4500 |
90 |
60 |
20..40 |
130 |
50 |
127,5 |
17,5 |
3 |
1 |
6,4 |
|
STIEBER AL-KEED2-30 |
30 |
5 |
500 |
1300 |
4100 |
100 |
68 |
20..50 |
160 |
60 |
148 |
20 |
2 |
1 |
11 |
|
STIEBER AL-KEED2-35 |
35 |
6 |
725 |
1100 |
3800 |
110 |
74 |
25..65 |
190 |
75 |
168 |
19 |
2 |
1 |
17 |
|
STIEBER AL-KEED2-40 |
40 |
6 |
1025 |
950 |
3400 |
125 |
86 |
25..65 |
190 |
75 |
178 |
17 |
2 |
1,5 |
19 |
|
STIEBER AL-KEED2-45 |
45 |
6 |
1050 |
900 |
3200 |
130 |
86 |
25..65 |
190 |
75 |
178 |
17 |
2 |
1,5 |
19 |
|
STIEBER AL-KEED2-50 |
50 |
7 |
1750 |
850 |
2800 |
150 |
92 |
30..75 |
225 |
90 |
207 |
25 |
2,5 |
1,5 |
31 |
|
STIEBER AL-KEED2-55 |
55 |
8 |
2625 |
720 |
2650 |
160 |
104 |
35..90 |
270 |
100 |
233,5 |
29,5 |
3 |
2 |
47 |
|
STIEBER AL-KEED2-60 |
60 |
8 |
2750 |
680 |
2450 |
170 |
114 |
35..90 |
270 |
100 |
244 |
30 |
3 |
2 | 49 |
|
STIEBER AL-KEED2-70 |
70 |
10 |
5750 |
580 |
2150 |
190 |
134 |
45..110 |
340 |
140 |
312,5 |
38,5 |
3 |
2,5 |
90 |
|
STIEBER AL-KEED2-80 |
80 |
11 |
8500 |
480 |
1900 |
210 |
144 |
55..125 |
380 |
160 |
340 |
36 |
3 |
2,5 |
107 |
|
STIEBER AL-KEED2-90 |
90 |
12 |
13750 |
380 |
1700 |
230 |
158 |
65..140 |
440 |
180 |
388 |
50 |
3,5 |
3 |
170 |
|
STIEBER AL-KEED2-100 |
100 |
14 |
20000 |
350 |
1450 |
270 |
182 |
75..160 |
500 |
200 |
422,5 |
40,5 |
3,5 |
3 |
230 |
|
STIEBER AL-KEED2-120 |
120 |
16 |
30000 |
250 |
1250 |
310 |
202 |
85..180 |
560 |
220 |
471 |
49 |
4 |
3 |
330 |
|
STIEBER AL-KEED2-150 |
150 |
18 |
43750 |
180 |
980 |
400 |
246 |
95..200 |
640 |
250 |
543 |
47 |
4 |
4 |
500 |
| STIEBER AL-KEED2-200 | 200 | 22 | 97500 | 120 | 750 | 520 | 326 | 125..250 | 880 | 320 | 700,5 | 54,5 | 4,5 | 5 | 965 |
| STIEBER AL-KEED2-250 | 250 | 28 | 250000 | 100 | 620 | 610 | 396 | 160..320 | 1160 | 400 | 868 | 72 | 5 | 5 | 1725 |
| STIEBER ALM-KEED2-25 | 25 | 4 | 288 | 1100 | 2800 | 90 | 60 | 20..40 | 130 | 50 | 127,5 | 17,5 | 3 | 1 | 6,4 |
| STIEBER ALM-KEED2-30 | 30 | 5 | 588 | 1000 | 2500 | 100 | 68 | 20..50 | 160 | 60 | 148 | 20 | 2 | 1 | 11 |
| STIEBER ALM-KEED2-35 | 35 | 6 | 838 | 900 | 2400 | 110 | 74 | 25..65 | 190 | 75 | 168 | 19 | 2 | 1 | 17 |