
Описание аналога RINGSPANN в PDF
![]()
|
Обгонная муфта STIEBER |
Size |
|
Overrunning speeds |
|
Weight |
||||||||
|
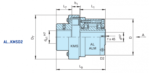
|
dH7 |
KMS |
T |
n 1) |
n2) |
dk1H7 [mm] |
D [mm] |
L1 |
D7 |
L7 |
L9 |
b1 |
[kg] |
|
STIEBER AL-KMSD2-12 |
12 |
4 |
50 |
2500 |
6000 |
7..35 |
62 |
42 |
78 |
40 |
100 |
18 |
2,1 |
|
STIEBER AL-KMSD2-15 |
15 |
6,3 |
79 |
1900 |
6000 |
12..40 |
68 |
52 |
90 |
45 |
116 |
20 |
2,7 |
|
STIEBER AL-KMSD2-20 |
20 |
10 |
125 |
1600 |
5600 |
10..45 |
75 |
57 |
107 |
48 |
123,5 |
17 |
3,8 |
|
STIEBER AL-KMSD2-25 |
25 |
10 |
125 |
1400 |
4500 |
10..45 |
90 |
60 |
107 |
48 |
126,5 |
17 |
4,4 |
|
STIEBER AL-KMSD2-30 |
30 |
16 |
200 |
1300 |
4100 |
10..50 |
100 |
68 |
120 |
52 |
140 |
19 |
5,9 |
|
STIEBER AL-KMSD2-35 |
35 |
25 |
313 |
1100 |
3800 |
15..55 |
110 |
74 |
134 |
57 |
155 |
22 |
8,1 |
|
STIEBER AL-KMSD2-40 |
40 |
40 |
500 |
950 |
3400 |
20..60 |
125 |
86 |
155 |
61 | 173 |
26 |
11,4 |
|
STIEBER AL-KMSD2-45 |
45 |
63 |
788 |
900 |
3200 |
20..70 |
130 |
86 |
174 |
67 |
186 |
30 |
13,3 |
|
STIEBER AL-KMSD2-50 |
50 |
100 |
1250 |
850 |
2800 |
25..75 |
150 |
92 |
195 |
75 |
208,5 |
35 |
19,1 |
|
STIEBER AL-KMSD2-55 |
55 |
100 |
1250 |
720 |
2650 |
25..75 |
160 |
104 |
195 |
75 |
216,5 |
35 |
20,4 |
|
STIEBER AL-KMSD2-60 |
60 |
160 |
2000 |
680 |
2450 |
30..80 |
170 |
114 |
221 |
82 |
243 |
41 |
27,1 |
|
STIEBER AL-KMSD2-70 |
70 |
250 |
3125 |
580 |
2150 |
35..90 |
190 | 134 |
250 |
89 |
277,5 |
47 |
40,4 |
|
STIEBER AL-KMSD2-80 |
80 |
400 |
5000 |
480 |
1900 |
45..100 |
210 |
144 |
282 | 97 |
305 |
56 |
57 |
|
STIEBER AL-KMSD2-90 |
90 |
630 |
7875 |
380 |
1700 |
60..120 |
230 |
158 |
332 |
116 |
346,5 |
64 |
87 |
|
STIEBER AL-KMSD2-100 |
100 |
1000 |
12500 |
350 |
1450 |
75..140 |
270 |
182 |
382 |
140 |
386 |
75 |
131 |
|
STIEBER AL-KMSD2-120 |
120 |
1600 |
20000 |
250 |
1250 |
90..160 |
310 |
202 |
432 |
160 |
430 |
85 |
196 |
|
STIEBER AL-KMSD2-150 |
150 |
|
|
On Request |
|
|
|
||||||
| STIEBER AL-KMSD2-200 | 200 | On Request | |||||||||||
| STIEBER AL-KMSD2-250 | 250 | On Request | |||||||||||
| STIEBER ALM-KMSD2-25 | 25 | 16 | 200 | 1100 | 2800 | 12..50 | 90 | 60 | 120 | 52 | 132,5 | 19 | 4,4 |
| STIEBER ALM-KMSD2-30 | 30 | 25 | 313 | 1000 | 2500 | 15..55 | 100 | 68 | 134 | 57 | 150 | 22 | 5,9 |
| STIEBER ALM-KMSD2-35 | 35 | 40 | 500 | 900 | 2400 | 18..65 | 110 | 74 | 155 | 61 | 163 | 26 | 8,1 |