Обгонные муфты Stieber серии GFR, GFRN - вся информация | Техноберинг
Вход / Регистрация
Не определено /
Пн-Пт. с 8:00 до 17:30
8 (800) 700-72-07

В Вашем городе отсутствует филиал Technobearing.
Выберите почтовую доставку?

Нет. Выбрать другой город
Каталог товаров
Каталог товаров

Обгонные муфты Stieber серии GFR, GFRN

 

Описание аналога RINGSPANN в PDF
 

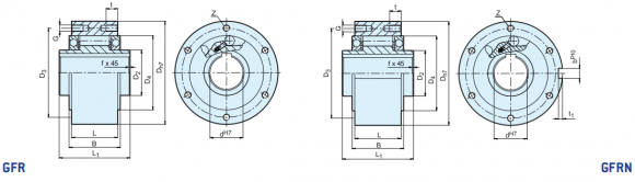
Обгонная муфта STIEBER

Size

 

Overrunning speeds

 

Weight

 

dH7
[mm]

T 1)
KN[Nm]

n 2)
imax[min-1]

n3)
amax[min-1]

    DH7
    [mm]

D2
[mm]

D4
[mm]

D3
[mm]

G

t
[mm]

z
[mm]

L1
[mm]

L
[mm]

B
[mm]

t1
[mm]

bp10
[mm]
   f
[mm]

[kg]

STIEBER GFR-GFRN12*

12*

55

4000

7200

62

20

42

51

Ø5,5

-

3

42

20

27

2,5

4 0,5

0,5

STIEBER GFR-GFRN15

15

125

3600

6500

68 25

47

56

M5

8

3

52

28

32

3

5 0,8

0,8

STIEBER GFR-GFRN20

20

181

2700

5600

75

30

55

64

M5

8

4

57

34

39

3,5

6 0,8

1,0

STIEBER GFR-GFRN25

25

288

2100

4500

90

40

68

78

M6

10

4

60

35

40

4

8 1,0

1,5

STIEBER GFR-GFRN30

30

500

1700

4100

100

45

75

87

M6

10

6

68

43

48

4

8 1,0

2,2

STIEBER GFR-GFRN35

35

725

1550

3800

110

50

80

96

M6

12

6

74

45

51

5

10 1,0

3,0

STIEBER GFR-GFRN40

40

1025

1150

3400

125

55

90

108

M8

14

6

86

53

59

5

12 1,5

4,6

STIEBER GFR-GFRN45

45

1125

1000

3200

130

60

95

112

M8

14

8

86

53

59

5,5

14 1,5

4,7

STIEBER GFR-GFRN50

50

2125

800

2800

150

70

110

132

M8

14

8

94

64

72

5,5

14 1,5

7,2

STIEBER GFR-GFRN55

55

2625

750

2650

160

75

115

138

M10

16

8

104

66

72

6

16 2,0

8,6

STIEBER GFR-GFRN60

60

3500

650

2450

170

80

125

150

M10

16

10

114

78

89

7

18 2,0

10,5

STIEBER GFR-GFRN70

70

5750

550

2150

190

90

140

165

M10

16

10

134

95

108

7,5

20 2,5

13,5

STIEBER GFR-GFRN80

80

8500

500

1900

210

105

160

185

M10

16

10

144

100

108

9

22 2,5

18,2

STIEBER GFR-GFRN90

90

14500

450

1700

230

120

180

206

M12

20

10

158

115

125

9

25 3,0

28,5

STIEBER GFR-GFRN100

100

20000

350

1450

270

140

210

240

M16

24

10

182

120

131

10

28 3,0

42,5

STIEBER GFR-GFRN130

130

31250

250

1250

310

160

240

278

M16

24

12

212

152

168

11

32 3,0

65,0

STIEBER GFR-GFRN150

150

70000

200

980

400

200

310

360

M20

32

12

246

180

194

12

36 4,0

138,0