
Описание аналога RINGSPANN в PDF![]()
|
|
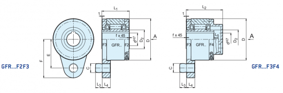
Size |
T1) |
n2) |
D |
D2 [mm] |
C |
L1 [mm] |
L2 |
L3 |
L4 [mm] |
F |
E |
L5 [mm] |
f [mm] |
[kg] |
|
STIEBER_GFR...F2F3 |
|
|
|
|
20 |
|
|
64 |
10 |
|
|
|
6 |
|
|
|
STIEBER_GFR...F2F3 |
15 | 125 | 2800 | 68 | 25 | 10 | 52 | 78 | 10 | 13 | 62 | 47 | 10 | 0.8 | 1.8 |
|
STIEBER_GFR...F2F3 |
|
181 |
|
75 |
30 |
12 |
57 |
|
|
|
|
54 |
10 |
0.8 |
2.3 |
|
STIEBER_GFR...F2F3 |
|
|
1600 |
|
40 |
16 |
60 |
|
|
|
84 |
62 |
|
|
|
|
STIEBER_GFR...F2F3 |
|
|
1300
|
100 |
45 |
16 |
|
95 |
14 |
|
|
68 |
10 |
|
4.5
|
|
STIEBER_GFR...F2F3 |
|
|
1200 |
110 |
50 |
20 |
74 |
102 |
18 |
25 |
102 |
|
|
|
5.6 |
|
STIEBER_GFR...F2F3 |
|
1025
|
|
|
|
20 |
86 |
115 |
|
25 |
|
|
12 |
|
8.5 |
|
STIEBER_GFR...F2F3 |
|
|
|
130 |
60 |
25 |
86 |
115 |
22 |
25 |
120 |
|
12 |
|
|
|
STIEBER_GFR...F2F3 |
50 | 2125 | 580 | 150 | 70 | 25 | 94 | 123 | 22 | 25 | 135 | 102 | 12 | 1.5 | 12.8 |
|
STIEBER_GFR...F2F3 |
|
2625 |
550 |
160 |
75 |
32 |
104 |
138 |
25 |
30 |
|
|
|
|
|
|
STIEBER_GFR...F2F3 |
|
3500 |
530 |
170 |
80 |
|
114 |
147 |
25 |
|
|
112 |
15 |
|
|
|
STIEBER_GFR...F2F3 |
70 |
5750 |
500 |
|
90 |
38 |
134 |
168 |
30 |
35 |
175 |
135 |
16 |
2.5 |
23.5 |
|
STIEBER_GFR...F2F3 |
80 | 8500 | 480 | 210 | 105 | 38 | 144 | 178 | 30 | 35 | 185 | 145 | 16 | 2.5 | 32 |
| STIEBER GFR...F2-F3 STIEBER GFR...F3-F4 |
90 |
14500 |
450 |
230 |
120 |
50 |
158 |
192 |
40 |
45 |
205 |
155 |
16 |
3.0 |
47.2 |
|
STIEBER_GFR...F2F3 |
100 |
20000 |
350 |
270 |
140 |
50 |
182 |
217 |
40 |
45 |
230 |
180 |
16 |
3.0 |
76 |
|
STIEBER_GFR...F2F3 |
130 |
31250 |
250 |
310 |
160 |
68 |
212 |
250 |
55 |
60 |
268 |
205 |
18 |
3.0 |
110 |
|
STIEBER_GFR...F2F3 |
150 |
70000 |
200 |
400 |
200 |
68 |
246 |
286 |
55 |
60 |
325 |
255 |
20 |
4.0 |
214 |