
| Каталог Обгонные муфты Stieber серии FS 750-1027, FSO 750-1027, HPI 750-1027 |
| PDF, 327 KB |
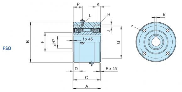
| STIEBER FSO-FS-HPI | STIEBER FSO-FS-HPI | STIEBER FSO-FS-HPI | STIEBER FSO-FS-HPI | STIEBER FSO-FS-HPI | STIEBER FSO-FS-HPI | STIEBER FSO-FS-HPI | STIEBER FSO-FS-HPI | |
| Size | 750 | 800 | ||||||
| T1) KN [Nm] |
9660 | 17940 | ||||||
| FSO n2) imix [min-1] |
1800/650 | 1500/525 | ||||||
| FS n3) imax [max-1] |
1000/650 | 850/525 | ||||||
| dh7-bxh [mm] |
65-20x12 | 70-20x12 | 75-20x12 | 80-22x14 | 85-22x14 | 80-22x14 | 90-25x14 | 100-28x16 |
| d4) min-max [mm] |
57-87 | 66-112 | ||||||
| A [mm] |
152.4 | 152.4 | ||||||
| B5) -0.05 [mm] |
222.25 | 254.00 | ||||||
| C [mm] |
149.2 | 149.2 | ||||||
| D [mm] |
31.7 | 31.7 | ||||||
| E [mm] |
1.6 | 1.6 | ||||||
| F [mm] |
107.74 | 139.7 | ||||||
| G [mm] |
177.8 | 227.0 | ||||||
| H [mm] |
8* | 8 | ||||||
| J [mm] |
M12* | M12 | ||||||
| K [mm] |
25 | 25 | ||||||
| L [inch] |
1/2-20 | 1/2-20 | ||||||
| P [mm] |
49.2 | 49.2 | ||||||
| f [mm] |
1.6 | 1.6 | ||||||
| FSO [ml] |
222 | 222 | ||||||
| HPI [ml] |
384 | 444 | ||||||
| FS [ml] |
207 | 251 | ||||||
| Tr [Ncm] |
5.08 | 7.12 | ||||||
| [kg] | 38 | 44 |
| STIEBER FSO-FS-HPI | STIEBER FSO-FS-HPI | STIEBER FSO-FS-HPI | STIEBER FSO-FS-HPI | STIEBER FSO-FS-HPI | STIEBER FSO-FS-HPI | STIEBER FSO-FS-HPI | STIEBER FSO-FS-HPI | |
| Size | 900 | 1027 | ||||||
| T1) KN [Nm] |
24408 | 36612 | ||||||
| FSO n2) imix [min-1] |
1350/500 | 700/375 |
||||||
| FS n3) imax [max-1] |
700/500 | 500/375 |
||||||
| dh7-bxh [mm] |
110-28x16 | 100-28x16 | 110-28x16 | 120-32x18 |
130-32x18 | 130-32x18 | 150-36x20 |
175-45x25 |
| d4) min-max [mm] |
92-138 | 125-177 | ||||||
| A [mm] |
161.9 |
168.3 | ||||||
| B5) -0.05 [mm] |
304.8 | 381.00 | ||||||
| C [mm] |
158.7 | 165.1 | ||||||
| D [mm] |
34.9 | 34.9 | ||||||
| E [mm] |
1.6 |
3.2 | ||||||
| F [mm] |
161.92 | 228.60 | ||||||
| G [mm] |
247.65 | 298.45 | ||||||
| H [mm] |
10 | 12 | ||||||
| J [mm] |
M16 | M16 | ||||||
| K [mm] |
32 | 32 | ||||||
| L [inch] |
1/2-20 |
1/2-20 |
||||||
| P [mm] |
54 | 54 | ||||||
| f [mm] |
1.6 | 3.2 | ||||||
| FSO [ml] |
532 | 651 | ||||||
| HPI [ml] |
473 | 946 | ||||||
| FS [ml] |
340 | 473 | ||||||
| Tr [Ncm] |
8.47 | 13.56 | ||||||
| [kg] | 71 | 113 |