
Описание аналога RINGSPANN в PDF![]()
|
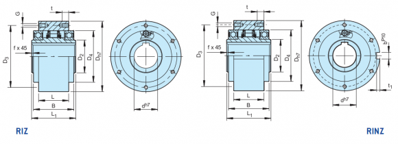
Обгонная муфта STIEBER |
dh7 |
T1) |
n2) |
n3) |
n4) |
Dh7 |
D2 |
D4 |
D3 |
G |
z |
L1 |
L [mm] |
B |
t |
f [mm] |
t1 [mm] |
bp10 [mm] |
[kg] |
|
STIEBER RIZ-G5G7 30 |
30 |
375 |
350 |
780 | 9000 | 100 |
45 |
75 | 87 |
M6 |
6 |
68 |
43 |
60 |
10 | 1.0 | 4 | 8 | 2.3 |
|
STIEBER RIZ-G5G7 35 |
35 |
550 |
320 |
740 | 8500 | 110 |
50 |
80 | 96 |
M6 |
6 |
74 |
45 |
63 |
12 | 1.0 | 5 | 10 | 3.2 |
| STIEBER RIZ-G5G7 40 | 40 | 800 | 315 | 720 | 7500 | 125 | 55 | 90 | 108 | M8 | 6 | 86 | 53 | 73 | 14 | 1.5 | 5 | 12 | 4.8 |
|
STIEBER RIZ-G5G7 45 |
45 |
912 |
285 |
665 | 6600 | 130 |
60 |
95 | 112 |
M8 |
8 |
86 |
53 |
73 |
14 | 1.5 | 5.5 | 14 | 5.0 |
|
STIEBER RIZ-G5G7 50 |
50 |
1400 |
265 |
610 | 6000 | 150 |
70 |
110 | 132 |
M8 |
8 |
94 |
64 |
86 |
14 | 1.5 | 5.5 | 14 | 7.5 |
|
STIEBER RIZ- G5G7 60 |
60 |
2350 |
200 |
490 | 5300 | 170 |
80 |
125 | 150 |
M10 |
10 |
114 |
78 |
105 |
16 | 2.0 | 7 | 18 | 12.7 |
|
STIEBER RIZ-G5G7 70 |
70 |
3050 |
210 |
480 | 4100 | 190 |
90 |
140 | 165 |
M10 |
10 |
134 |
95 |
124 |
16 | 2.5 | 7.5 | 20 | 14.4 |
|
STIEBER RIZ-G5G7 80 |
80 |
4500 |
190 |
450 | 3600 | 210 |
105 |
160 | 185 |
M10 |
10 |
144 |
100 |
124 |
16 | 2.5 | 9 | 22 | 19.0 |
|
STIEBER RIZ-G5G7 90 |
90 |
5600 |
180 |
420 | 2700 | 230 |
120 |
180 | 206 |
M12 |
10 |
158 |
115 |
143 |
20 | 3.0 | 9 | 25 | 29.5 |
|
STIEBER RIZ-G5G7 100 |
100 |
10500 |
200 |
455 | 2700 | 270 |
140 |
210 | 240 |
M16 |
10 |
182 |
120 |
153 |
24 | 3.0 | 10 | 28 | 42.5 |
|
STIEBER RIZ-G5G7 130 |
130 |
15750 |
180 |
415 | 2400 | 310 |
160 |
240 | 278 |
M16 |
12 |
212 |
152 |
194 |
24 | 3.0 | 11 | 32 | 70 |